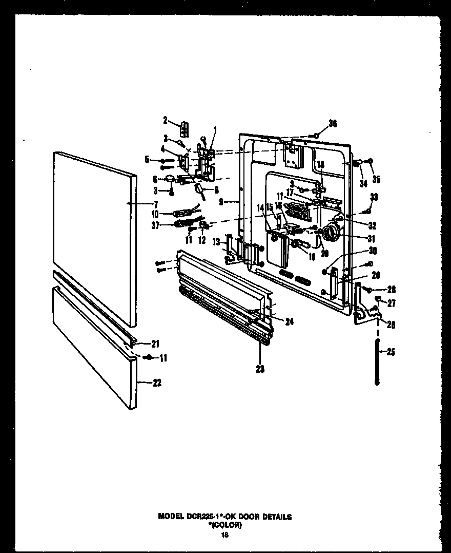
DCR2251VOK 03 – DOOR DETAILSadmin2025-04-26T08:56:43+00:00DCR2251VOK 03 – DOOR DETAILS ProductsPositionProduct1MAY Y08070162MAY 08074503MAY 08068304MAY Y08070435MAY Y08084256MAY 08063987MAY 08072627MAY 8075957MAY 08076437MAY 08076427MAY 8076418MAY 08068469MAY 080719410MAY 080855911MAY Y080341612MAY Y080558413MAY 080568214MAY Y080675315MAY 080675716MAY 080675617MAY Y080844218MAY 080721319MAY Y080684320MAY Y080506321MAY 080691222MAY 080808422MAY 080806922MAY 080808222MAY 080808322MAY 080808123MAY 080836924MAY 080681025MAY Y080568326MAY Y080568127MAY 080588428MAY 080331129MAY Y080671730MAY Y080847031MAY 080563132MAY 080686333MAY 080696734MAY 080744935MAY 080697636MAY 080689437MAY Y0808560