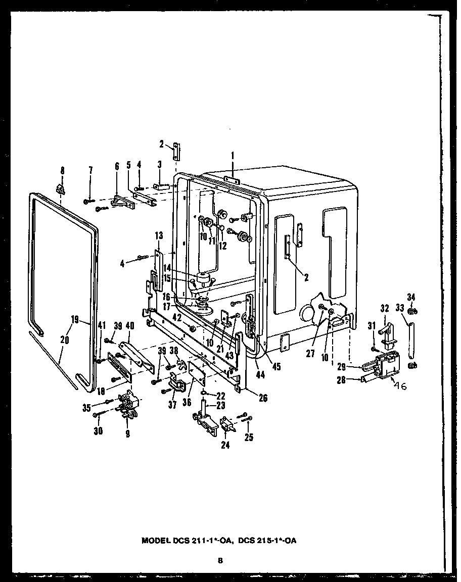
DCS21501WOA 05 – Page 4admin2025-04-26T08:56:28+00:00DCS21501WOA 05 – Page 4 ProductsPositionProduct1MAY 08088682MAY 08070383MAY 8074544MAY 08065395MAY 08070736MAY Y08070157MAY Y08068908MAY Y08057639MAY 080525510MAY 080904411MAY 080718012MAY 080856413MAY Y080747014MAY Y080463015MAY Y080726816MAY Y080806417MAY Y080806318MAY 080748619MAY Y080903420MAY 080834421MAY 080811522MAY Y080775923MAY Y080767724MAY Y080768025MAY 080459426MAY 080873927MAY Y080690128MAY 080870529MAY Y080679730MAY 080467231MAY 080881832MAY 080870733MAY 080789134MAY Y080781335MAY Y080659336MAY 080914437MAY 080672338MAY 080721339MAY Y080865840MAY 080784941MAY Y080750142MAY 080334643MAY Y080331944MAY 080912745MAY Y080747146MAY 0808706