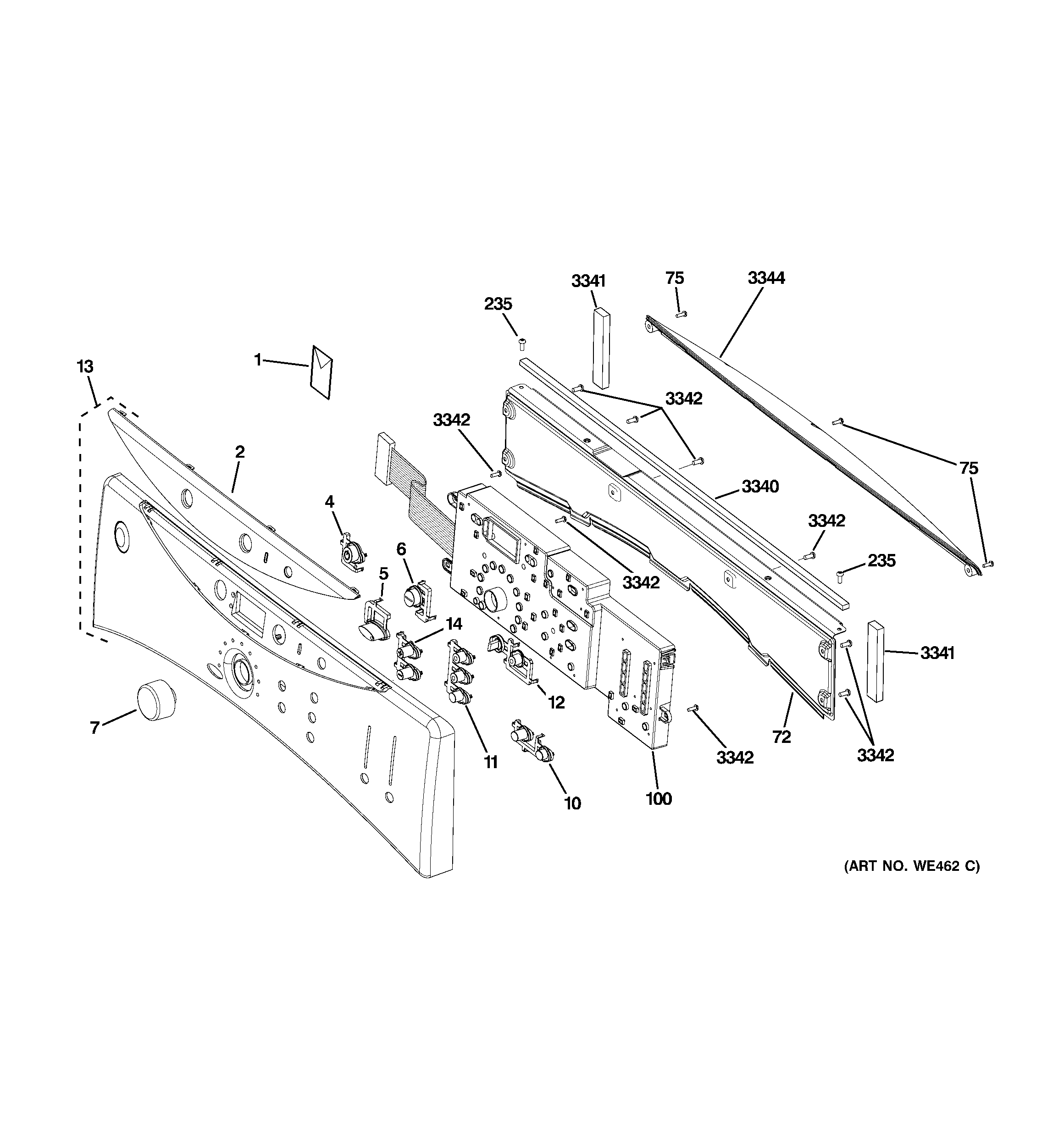
DCVH515GF0GG CONTROLS & BACKSPLASHadmin2025-04-26T08:35:20+00:00DCVH515GF0GG CONTROLS & BACKSPLASH ProductsPositionProduct1GEN 31-161231GEN 31-161251GEN 49-902082GEN WE19M14254GEN WE1M5575GEN WE1M5586GEN WE1M5597GEN WE1M59210GEN WE1M56011GEN WE1M56112GEN WE1M56213GEN WE19M143214GEN WE1M56372GEN WE1M56475GEN WE2M210100GEN WE4M330235WE2X263D GE Screw Package 12 C923340GEN WE1M5653341GEN WE1M5663342WE2M211 GE Front Screw3344GEN WE19M1438