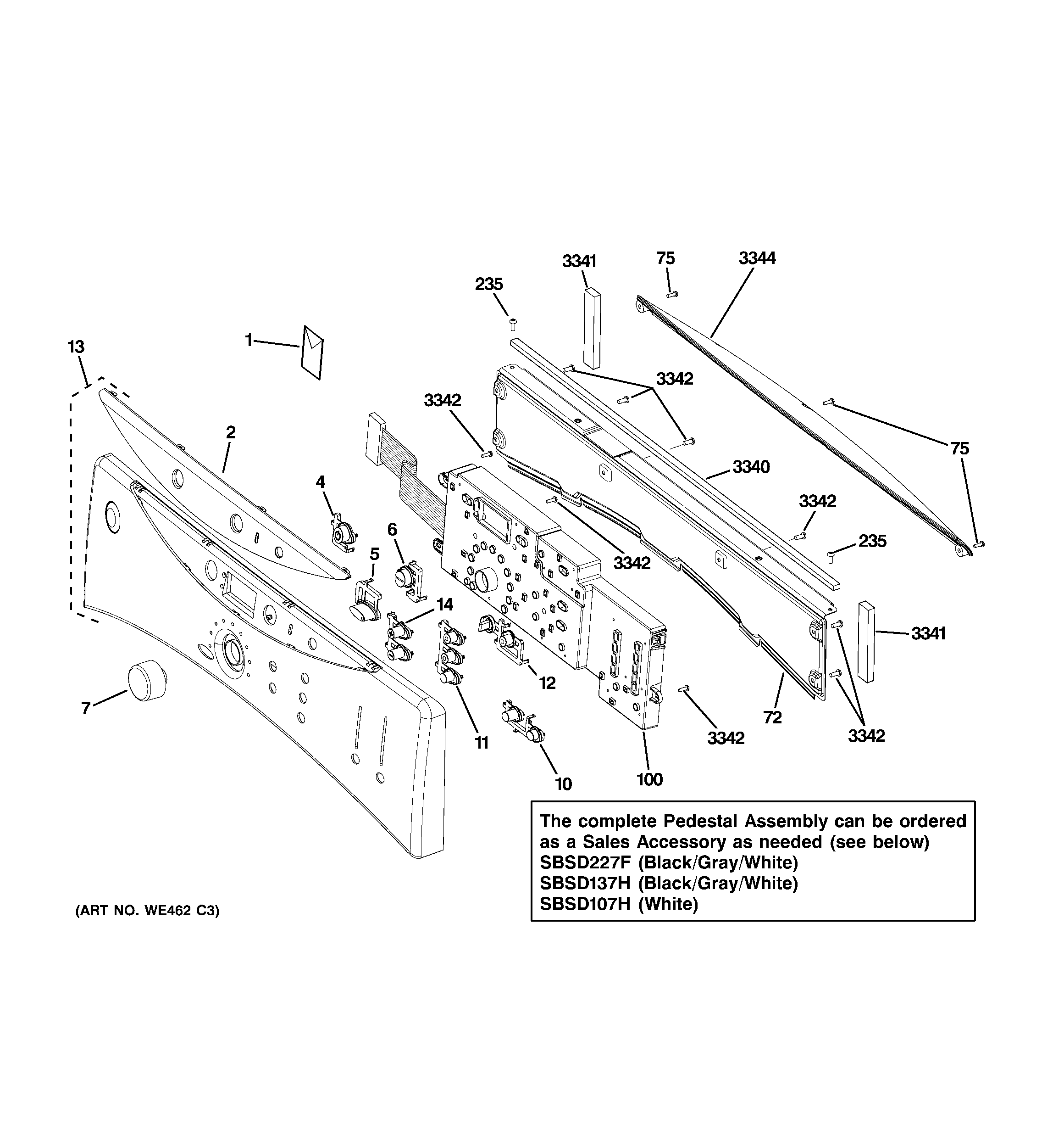
DCVH660EH1MS CONTROLS & BACKSPLASHadmin2025-04-26T08:35:44+00:00DCVH660EH1MS CONTROLS & BACKSPLASH ProductsPositionProduct1GEN 49-903161GEN 31-161521GEN 31-161222GEN WE19M14254GEN WE1M5575GEN WE1M5586GEN WE1M5597GEN WE1M69710GEN WE1M56011GEN WE1M56112GEN WE1M56213GEN WE19M156414GEN WE1M56372GEN WE1M56475GEN WE2M210100GEN WE4M385235WE2X263D GE Screw Package 12 C923340GEN WE1M5653341GEN WE1M5663342WE2M302 GE Screw3344GEN WE19M1570