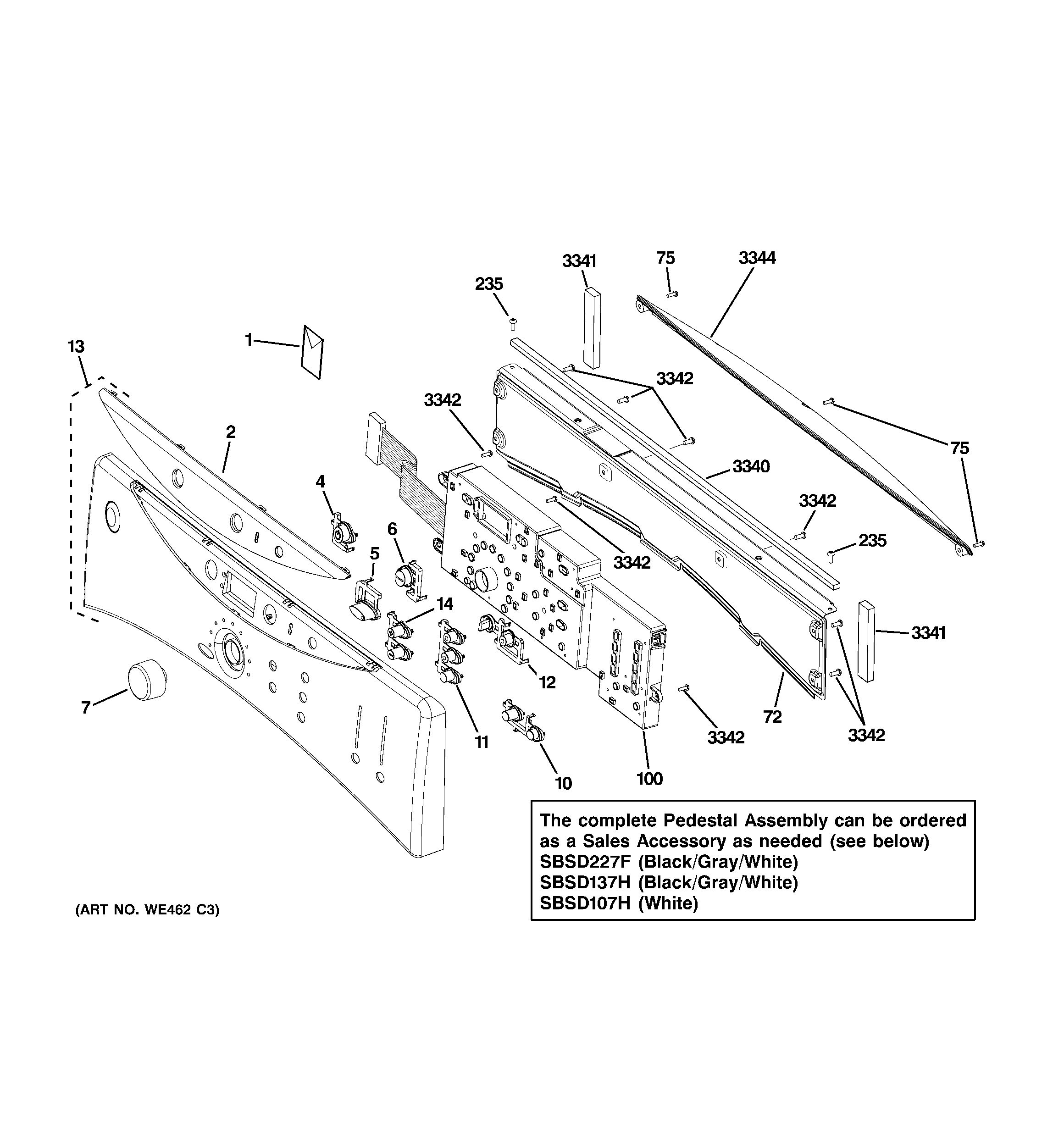
DCVH660EH2MS CONTROLS & BACKSPLASHadmin2025-04-26T08:35:30+00:00DCVH660EH2MS CONTROLS & BACKSPLASH ProductsPositionProduct1GEN 31-161521GEN 31-161221GEN 49-903162GEN WE19M14254GEN WE1M5575GEN WE1M5586GEN WE1M5597GEN WE1M69710GEN WE1M56011GEN WE1M56112GEN WE1M56213GEN WE19M152813GEN WE19M152413GEN WE19M153213GEN WE19M156513GEN WE19M156414GEN WE1M56372GEN WE1M56475GEN WE2M210100GEN WE4M385235WE2X263D GE Screw Package 12 C923340GEN WE1M5653341GEN WE1M5663342WE2M302 GE Screw3344GEN WE19M14383344GEN WE19M15363344GEN WE19M15703344GEN WE19M14373344GEN WE19M1571