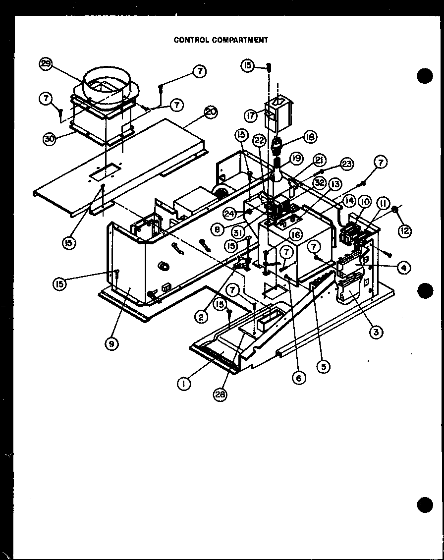
DD0820 02 – CONTROL COMPARTMENT