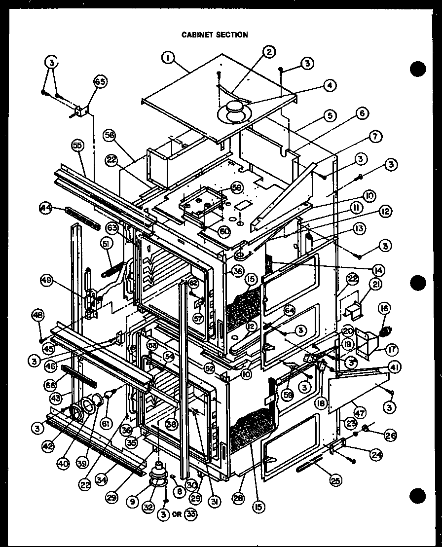
DD0880 01 – CABINET SECTIONadmin2025-04-26T08:56:22+00:00DD0880 01 – CABINET SECTION ProductsPositionProductNIMAY 0041839NIMAY 52094NIMAY 63477NIMAY Y0040886NIMAY 51587NIMAY 51850NIMAY 0040398NIMAY 00407941MAY 00402852MAY 00409113MAY Y418083MAY 418374MAY 00405425MAY Y00403486MAY 517027MAY Y00516438MAY 517519MAY 005922310MAY Y004075110MAY 5172011MAY Y005164212MAY Y004058113MAY Y004240614MAY Y004111315MAY Y004197616MAY 7302817MAY 004074018MAY Y6735219MAY 5165520MAY 9204221MAY 004102122MAY Y004074223MAY Y004034924MAY Y4099025MAY 004272526MAY Y004185328MAY Y004075229MAY Y004101930MAY Y005169331MAY Y004092532MAY Y6333733MAY 004177334MAY 004257635MAY 5920836MAY 4015037SEE NOTE GROUND WIRE, GREEN38MAY 4084939MAY Y004276940MAY Y004198741MAY Y009788742MAY 004099543MAY 5169444MAY Y004201845MAY Y004258046MAY 004102047MAY 5184948MAY Y004181649MAY Y005209551MAY Y004274052MAY Y004074153MAY Y004084854MAY 004181555MAY Y004257256MAY Y005184657MAY 6782558MAY Y004090359MAY 5165860MAY Y004079761MAY Y004217562MAY 7602963MAY 5166365MAY Y6342066MAY Y0042015