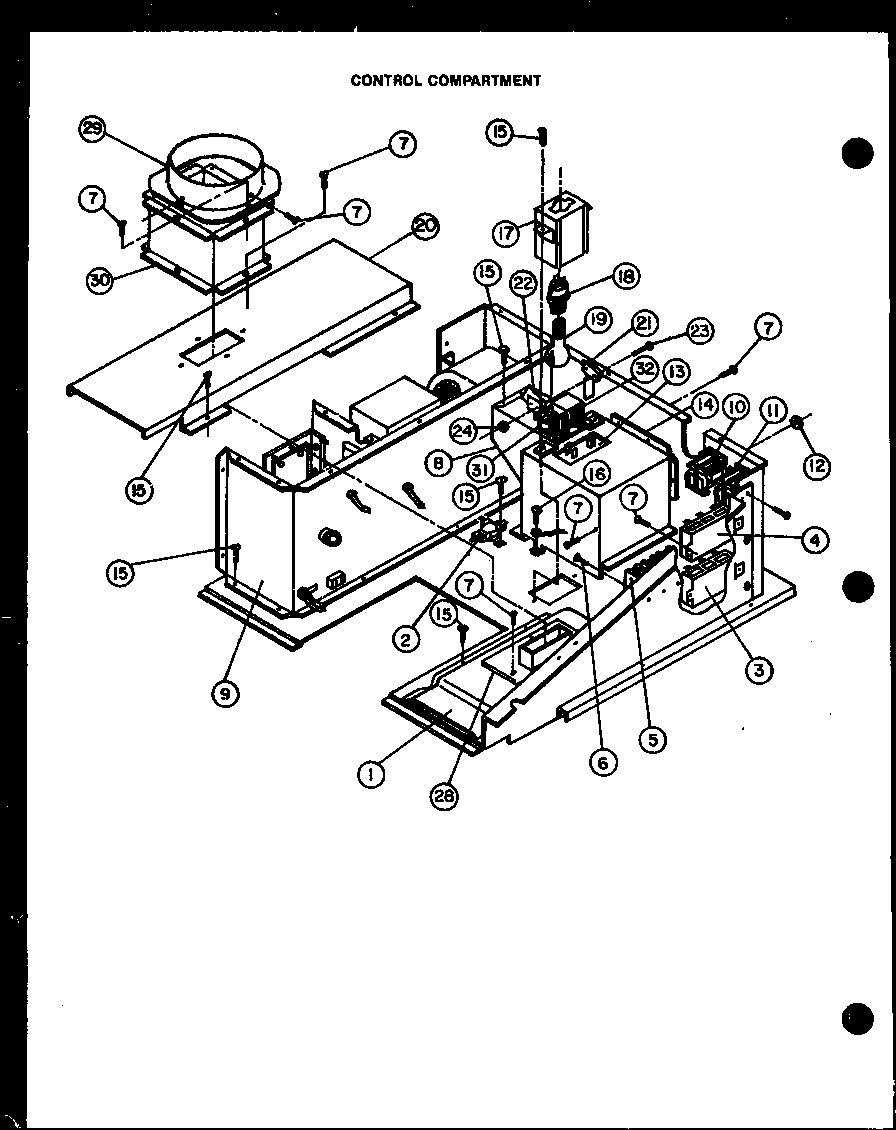
DD0880 02 – CONTROL COMPARTMENTadmin2025-04-26T08:56:23+00:00DD0880 02 – CONTROL COMPARTMENT ProductsPositionProductNIMAY 516531MAY 00405822MAY Y00420564MAY Y00420405MAY Y00421916MAY Y00418137MAY Y418088MAY 5171012MAY Y009788713SEE NOTE GROUND WIRE, GREEN14MAY 5171715MAY Y7164216MAY 7227017MAY Y005168818MAY 7302819MAY Y004217520MAY Y005177621MAY 6620722MAY Y009152323MAY Y7191124MAY 7790628MAY Y005177429MAY 004054130MAY 4105131MAY 5180832MAY 67779