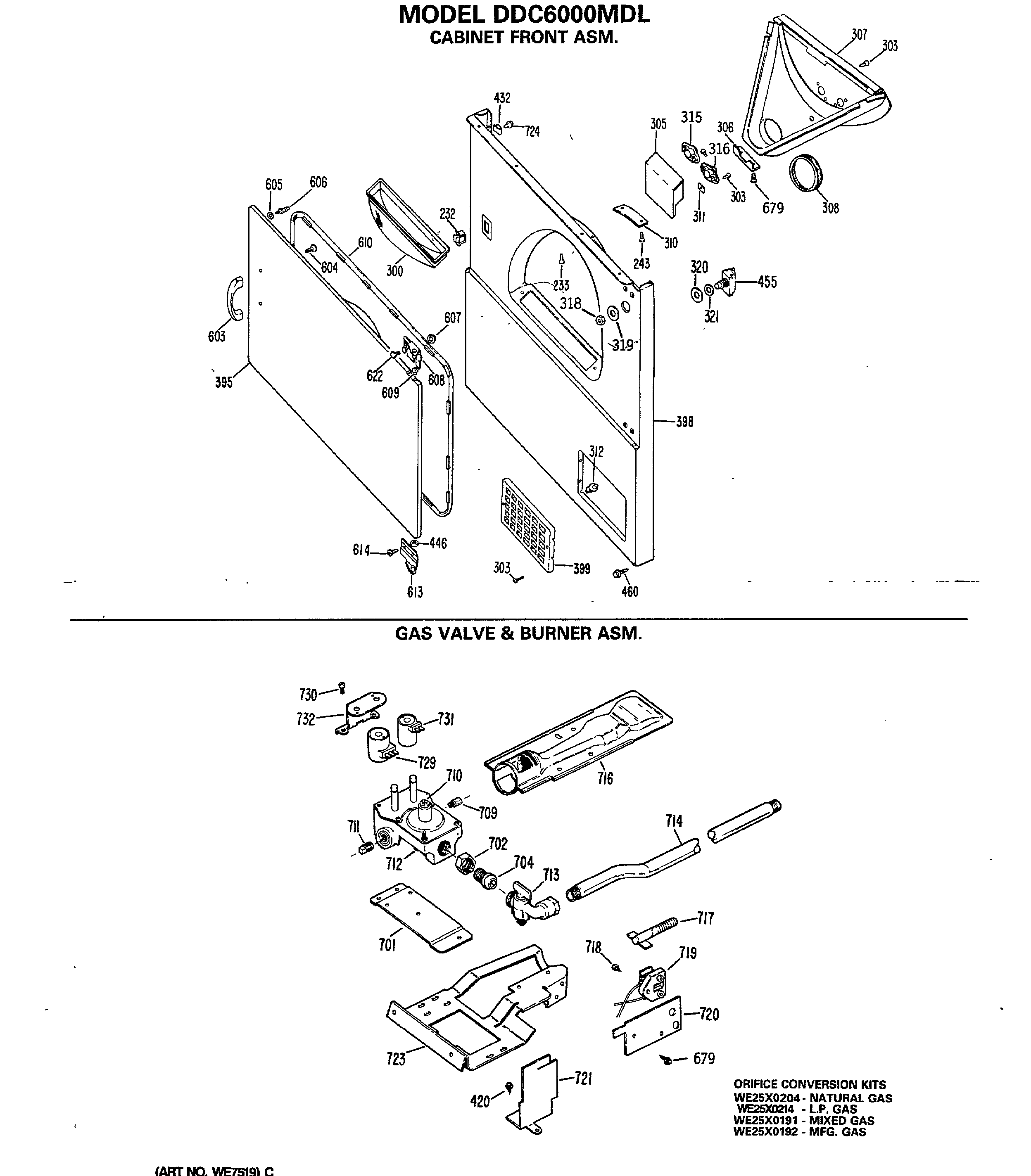
DDC6000MDL CABINET FRONT ASM.admin2025-04-26T08:35:18+00:00DDC6000MDL CABINET FRONT ASM. ProductsPositionProduct232WE1M1011 GE Washer Dryer Door Latch233GEN WZ04X0236300GEN WE18X0043303GEN WE02X0270305GEN WE01X0944306GEN WE01X0409307GEN WE14X0144308WE9X38 GE Dryer Felt Seal Assembly310GEN WE01X0446311GEN WE02X0192312GEN WE02X0191315GEN WE04X0598316GEN WE04X0547318GEN WE02X0125319GEN WE02X0200320GEN WE01X0667321GEN WE01X0932395DOOR ASM WH395DOOR ASM HA395DOOR ASM AD398CABINET FRONT ASM WH398CABINET FRONT ASM HA398CABINET FRONT ASM AD399GEN WE10X0256399GEN WE10X0205399GEN WE10X0254420GEN WH02X0893432GEN WL02X0071446GEN WE02X0279455GEN WL11X0056460GEN WZ04X0264603GEN WE01X0257604GEN WE02X0227605GEN WZ10X0016606GEN WE01X1042607NUT SHEET METAL K608GEN WE01X0345609GEN WE01X0404610GEN WE09X0028613GEN WE01X0344614GEN WZ04X0257622GEN WE02X0177679GEN WZ05X0155701GEN WE13X0166702GEN WE02X0319704GEN WE02X0320709WE1X1148 GE Main Orifice710WE1X1076 GE Leak Limiter711GEN 1/8-27 NPT712WE14X215 GE Gas Valve713GEN WE01X1078714PIPE LUG ASM716WE14M104 GE Burner Assembly717WE4X444 GE Round Igniter718GEN WZ04X0220719GEN WE01X1075720BRACKET IGNITER721GEN WE13X0118723BRACKET VALVE724SCREW 10-16 X 1/2" HEX729WE4X692 GE Gas Valve Solenoid730WR01X10317 GE Refrigerator Screw 8-32 CA Hex Washer 1/2731WE4X693 GE Main Coil732GEN WE13X0169