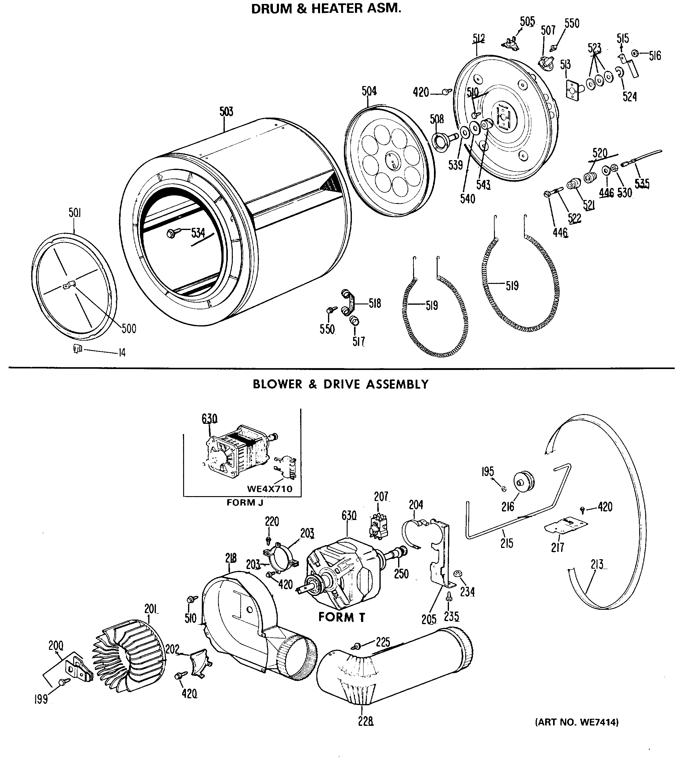
DDE0580GCL DRUM & HEATER ASM.admin2025-04-26T08:35:20+00:00DDE0580GCL DRUM & HEATER ASM. ProductsPositionProduct14GEN WE01X0762195GEN WH02X0885199GEN WE02X0280200WE1X688 GE Dryer Clamp and Screw201WHEEL BLOWER202GEN WE01X0689203WE13X200 GE Motor Strap204WE1X921 GE Motor Strap205GEN WE13X0161207SWITCH START (FORM T)213WE12X10014 GE Washer Drive Belt215GEN WE03X0069216WE12X83 GE Dryer Idler Pulley217GEN WE13X0159218HOUSING WELD ASM BLOWER220GEN WE02X0275225GEN WE02X0276228ELBOW EXHAUST234GEN WE02X0154235GEN WE02X0194250GEN WE12X0041420GEN WH02X0893446GEN WE02X0279500GEN WE01X0299501GEN WE09X0030503GEN WE21X0049504GEN WE14X0086505WE4X800 GE Dryer Thermal Fuse Thermostat507WE4X584 GE Dryer High Limit Thermostat510WE2X263D GE Screw Package 12 C92512GEN WE11X0086513WE1X461 GE Bearing Retainer515WE1X1172 GE Strap Assembly516WR01X10212 GE Refrigerator 8-32 Nut517GEN WE01X0336518CLIP HEATER COIL519COIL ASM HEATER520INSULATOR OUTER521INSULATOR INNER522STUD HEATER523WASHER FLAT524RING RETAINING530GEN WE02X0278534GEN WE02X0153535TERMINAL (HEATER COIL)539WE25M40 GE Dryer Rear Bearing Kit540WASHER FLAT543WE3X75 GE Dryer Rear Drum Bearing550GEN WE02X0281630WE17X10010 GE Washer Dryer Drive Motor and Pulley Assembly