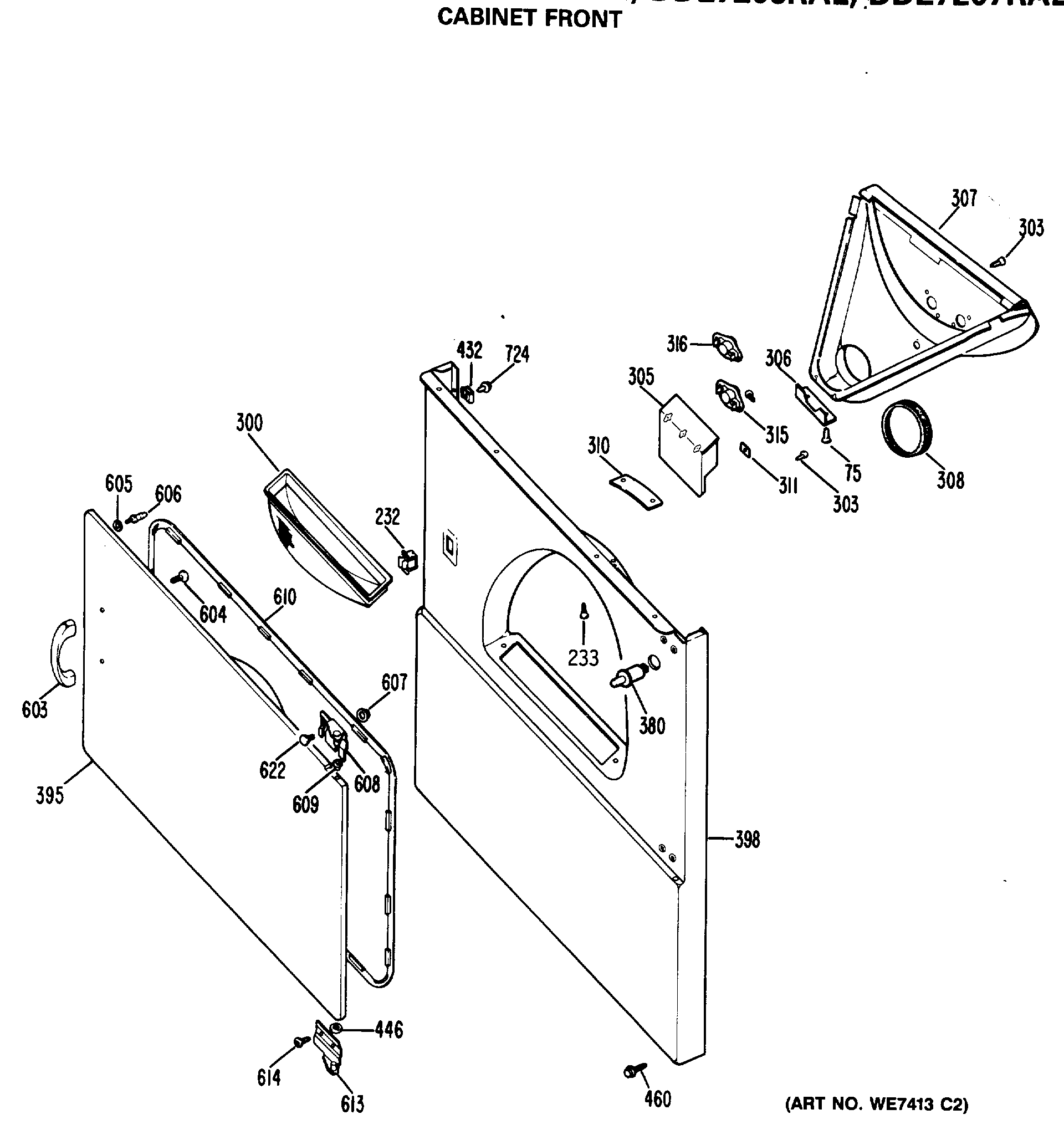
DDE5900RAL CABINET FRONT