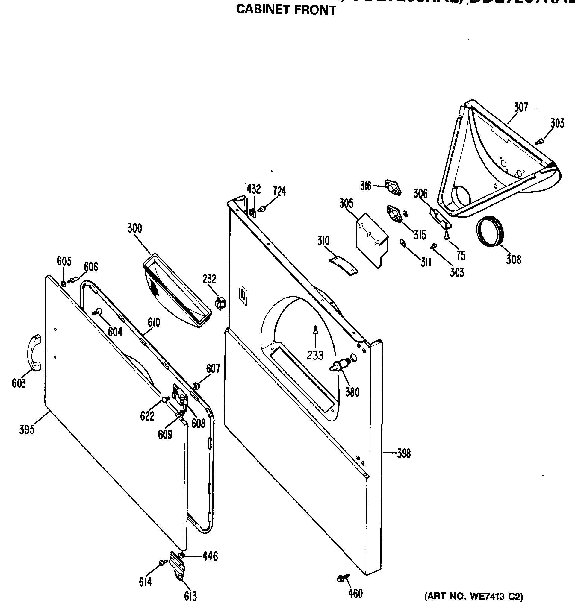
DDE7207RAL CABINET FRONT