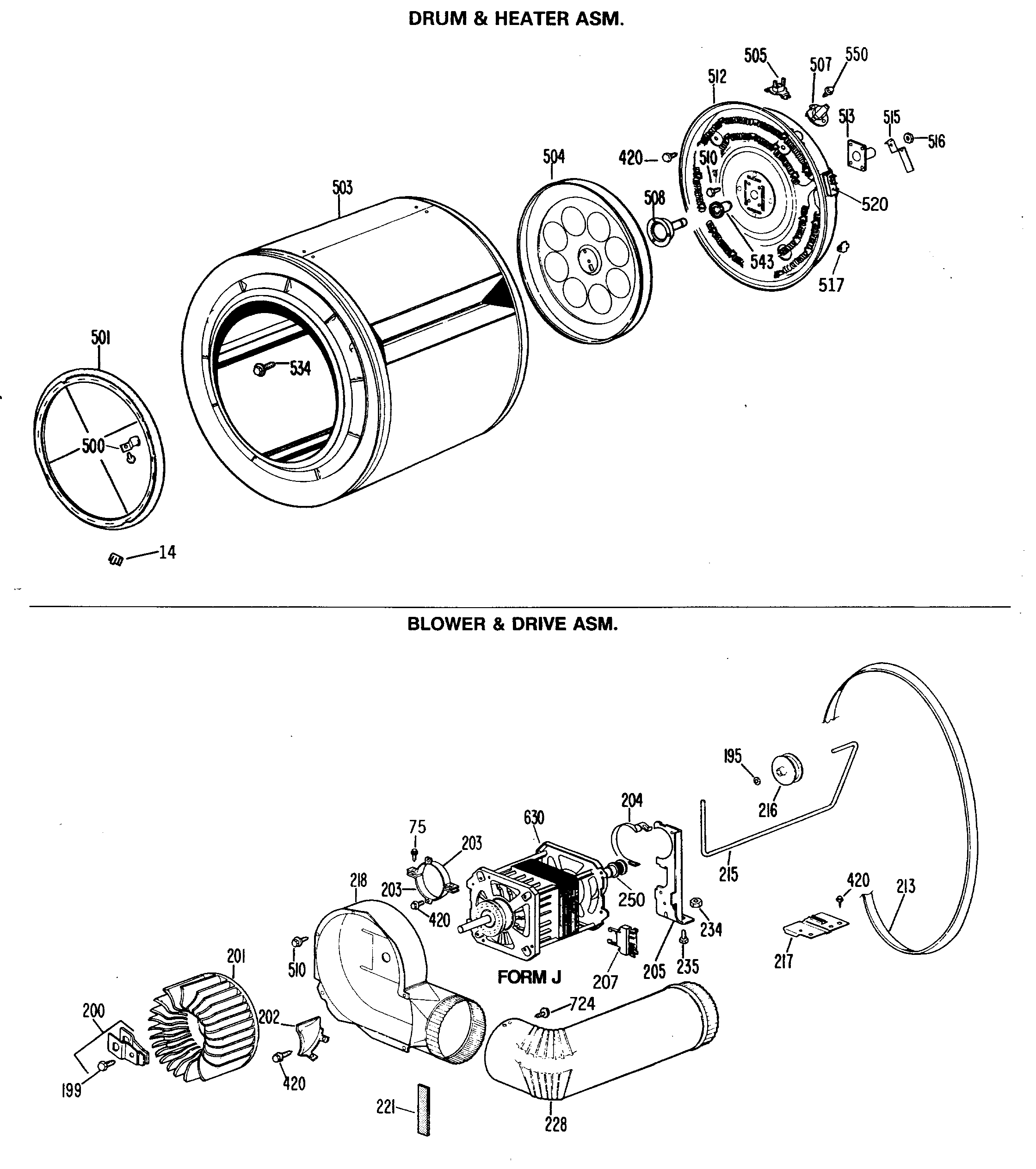
DDE7900RALAA DRUM & HEATER ASM.admin2025-04-26T08:35:44+00:00DDE7900RALAA DRUM & HEATER ASM. ProductsPositionProduct14GEN WE01X0762195GEN WH02X0885199GEN WE02X0280200WE1X688 GE Dryer Clamp and Screw201WHEEL BLOWER202GEN WE01X0689203WE13X200 GE Motor Strap204WE1X921 GE Motor Strap205GEN WE13X0161207WE17X10010 GE Washer Dryer Drive Motor and Pulley Assembly213WE12X10014 GE Washer Drive Belt215GEN WE03X0069216WE12X83 GE Dryer Idler Pulley217GEN WE13X0159218GEN WE14X0134221GEN WE01X1171228GEN WE14X0213234GEN WE02X0154235GEN WE02X0194250GEN WE12X0041420GEN WH02X0893500GEN WE01X0299501GEN WE09X0030503GEN WE21X0049504GEN WE14X0086505WE4X800 GE Dryer Thermal Fuse Thermostat507WE4X584 GE Dryer High Limit Thermostat508WE25M40 GE Dryer Rear Bearing Kit510WE2X263D GE Screw Package 12 C92512WE11X103 GE Dryer Large Coil Heater Assembly513WE1X461 GE Bearing Retainer515WE1X1172 GE Strap Assembly516WR01X10212 GE Refrigerator 8-32 Nut517GEN WE01X1176520GEN WE01X1177534GEN WE02X0153543WE3X75 GE Dryer Rear Drum Bearing550GEN WE02X0281724SCREW 10-16 X 1/2" HEX