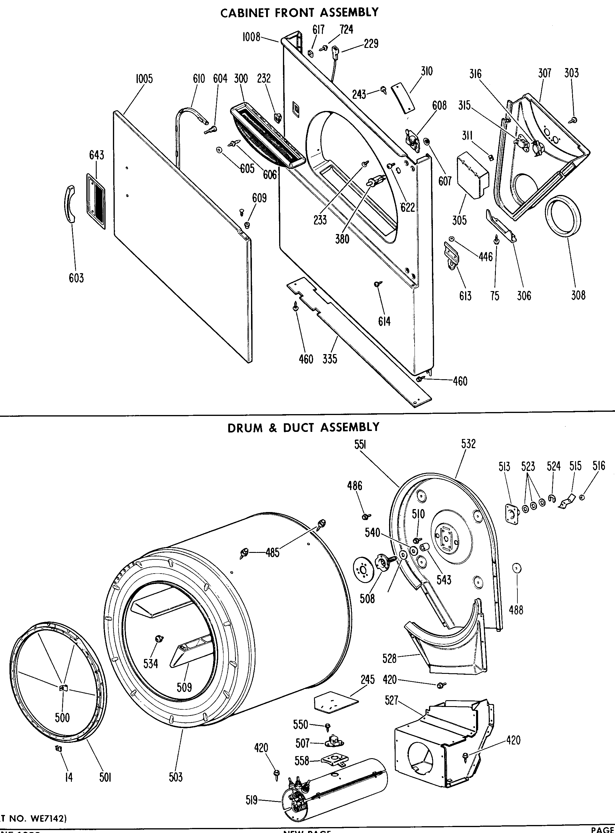
DDE8108VHL CABINET FRONT ASSEMBLYadmin2025-04-26T08:35:25+00:00DDE8108VHL CABINET FRONT ASSEMBLY ProductsPositionProduct14GEN WE01X076275WH2X930 GE Screw229GEN WH12X0183232WE1M1011 GE Washer Dryer Door Latch233GEN WZ04X0236243GEN WZ05X0155245GEN WE01X1053300FILTER ASM LINT303GEN WE02X0270305GEN WE01X0944306GEN WE01X0409307GEN WE14X0144308WE9X38 GE Dryer Felt Seal Assembly310GEN WE01X0446311GEN WE02X0192315GEN WE04X0600316THERMOSTAT LL 35-15335PLATE-COVER380GEN WE04X0197420GEN WH02X0893446GEN WE02X0279460GEN WZ04X0264485GEN WE02X0312488SPACER-DIFFUSER500GEN WE01X0299501GEN WE09X0030503GEN WE21X0059507WE4X584 GE Dryer High Limit Thermostat508WE25M40 GE Dryer Rear Bearing Kit509BAFFLE-DRUM510WE2X263D GE Screw Package 12 C92513WE1X461 GE Bearing Retainer515WE1X1172 GE Strap Assembly516WR01X10212 GE Refrigerator 8-32 Nut519GEN WE11X0080523WASHER FLAT524RING RETAINING527GEN WE14X0164528GEN WE14X0162532GEN WE14X0163534GEN WE02X0153540WASHER FLAT543WE3X75 GE Dryer Rear Drum Bearing550GEN WE02X0281551GEN WE09X0044558GEN WE13X0158603GEN WE01X1049604GEN WE02X0227605GEN WZ10X0016606GEN WE01X1042607NUT SHEET METAL K608GEN WE01X0345609GEN WE01X0404610GEN WE09X0028613GEN WE01X0344614GEN WZ04X0257617NUT CLIP622GEN WE02X0177643GEN WE19X0836724SCREW 10-16 X 1/2" HEX1005DOOR ASM WH1005DOOR ASM HA1005DOOR ASM AD1008CABINET FRONT ASM WH1008CABINET FRONT ASM AD1008CABINET FRONT ASM HA