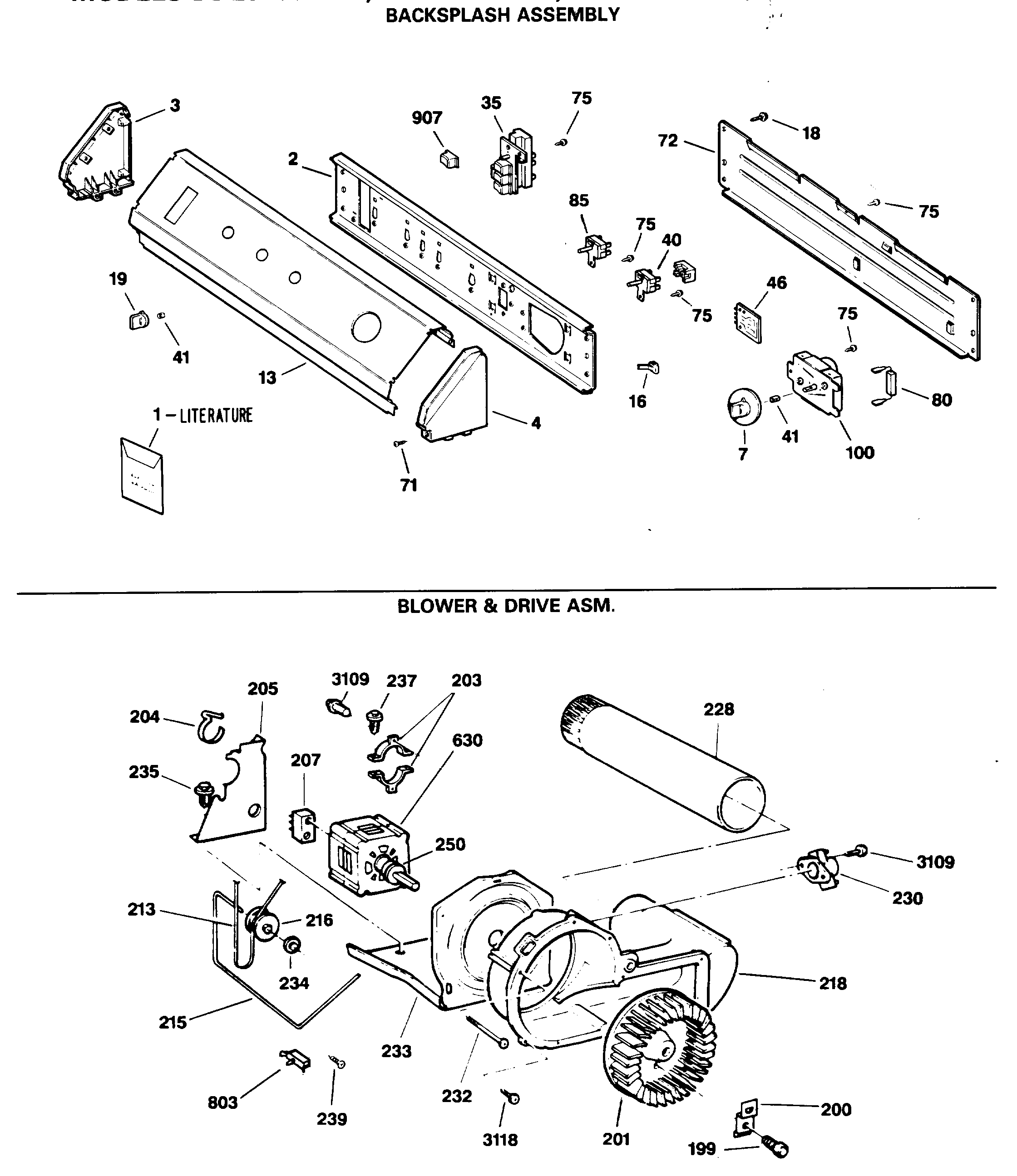
DDE9600RAM BACKSPLASH ASSEMBLYadmin2025-04-26T08:35:36+00:00DDE9600RAM BACKSPLASH ASSEMBLY ProductsPositionProduct1GEN 31-26611GEN 49-97111GEN 31-18282GEN WH46X03123GEN WH42X22254GEN WH42X22267GEN WE01X117913GEN WE19X093716GEN WH02X115118GEN WH02X115219GEN WH01X227435GEN WE04X078740GEN WE04X079841GEN WE01X0980?46GEN WE04X077771GEN WH02X115372GEN WH46X031175WH2X930 GE Screw85GEN WE04X0779100GEN WE04X0794200WE1X688 GE Dryer Clamp and Screw201WE16M15 GE Washer Dryer Blower Wheel203WE13X200 GE Motor Strap204WE1X921 GE Motor Strap205WE13M39 GE Motor Support207WE17X10010 GE Washer Dryer Drive Motor and Pulley Assembly213WE12X10014 GE Washer Drive Belt215WE03X20434 GE Washer Idler Arm216WE12X81 GE Dryer Idler Pulley218GEN WE14M0055228WE14X20421 GE Exhaust Duct230GEN WE04M0156232WE2M202 GE Screw233GEN WE13M0024234GEN WE02M0096235GEN WE02M0155237WE2M200 GE Ground Screw239GEN WE02M0167380WE4M415 GE Washer Door Switch803WD21X10261 GE Dishwasher Interlock Switch907GEN WD09X02063109WD02X10057 GE Dishwasher Screw 10-16 x 13118GEN WH02M0342