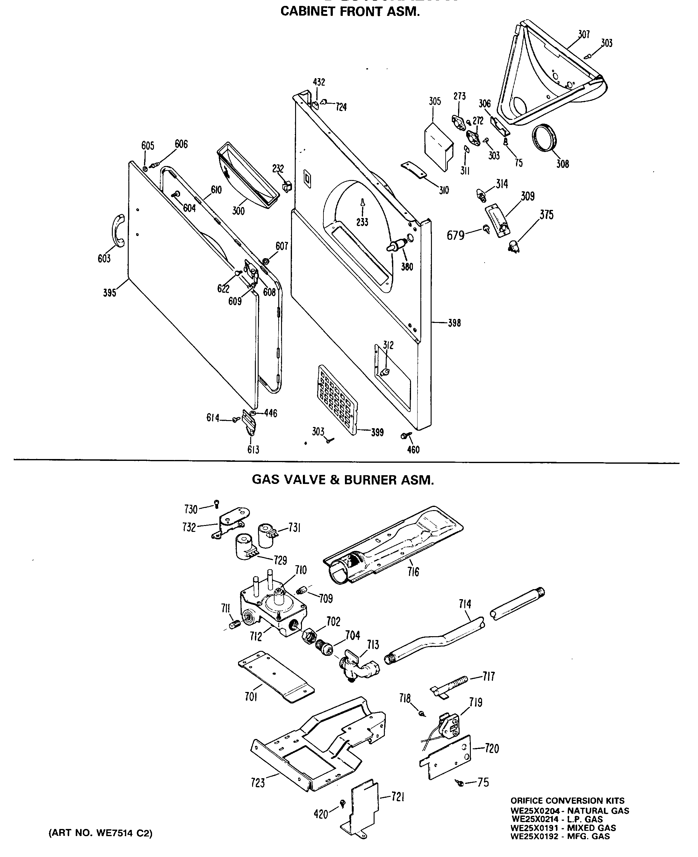
DDG5180RALWW CABINET FRONT ASM.admin2025-04-26T08:35:45+00:00DDG5180RALWW CABINET FRONT ASM. ProductsPositionProduct232WE1M1011 GE Washer Dryer Door Latch233GEN WZ04X0236272GEN WE04X0607273GEN WE04X0608300FILTER ASM LINT303GEN WE02X0270305GEN WE01X0944306GEN WE01X0409307GEN WE14X0144308WE9X38 GE Dryer Felt Seal Assembly310GEN WE01X0446311GEN WE02X0192312GEN WE02X0191380GEN WE04X0197395DOOR ASM WH399GEN WE10X0205432GEN WL02X0071446GEN WE02X0279460GEN WZ04X0264498SCREW 10-16X5/8 WH603GEN WE01X1135604GEN WE02X0227605GEN WZ10X0016606GEN WE01X1042607NUT SHEET METAL K608GEN WE01X0345609GEN WE01X0404610GEN WE09X0028613GEN WE01X0344614GEN WZ04X0257622GEN WE02X0177679GEN WZ05X0155724SCREW 10-16 X 1/2" HEX