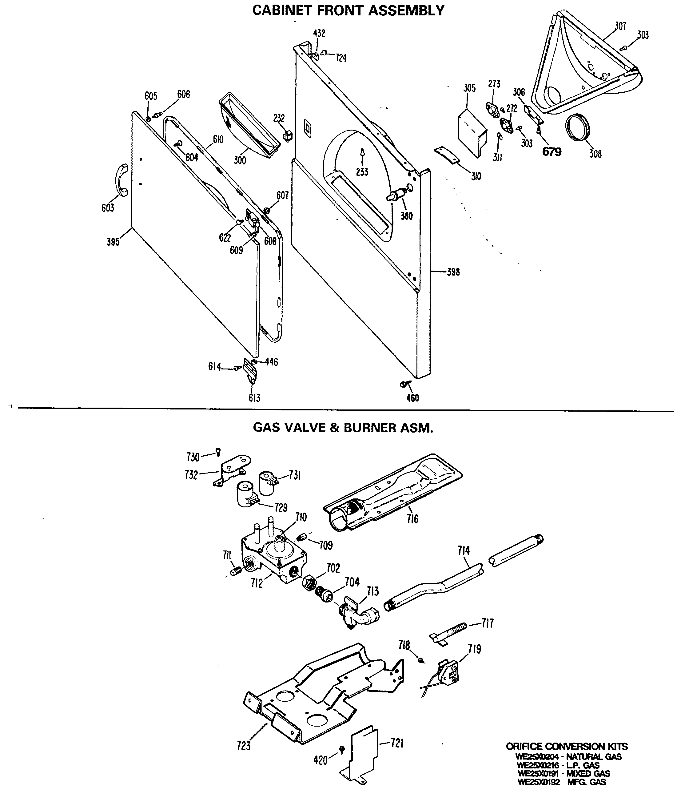
DDG5180RBL CABINET FRONT ASSEMBLY