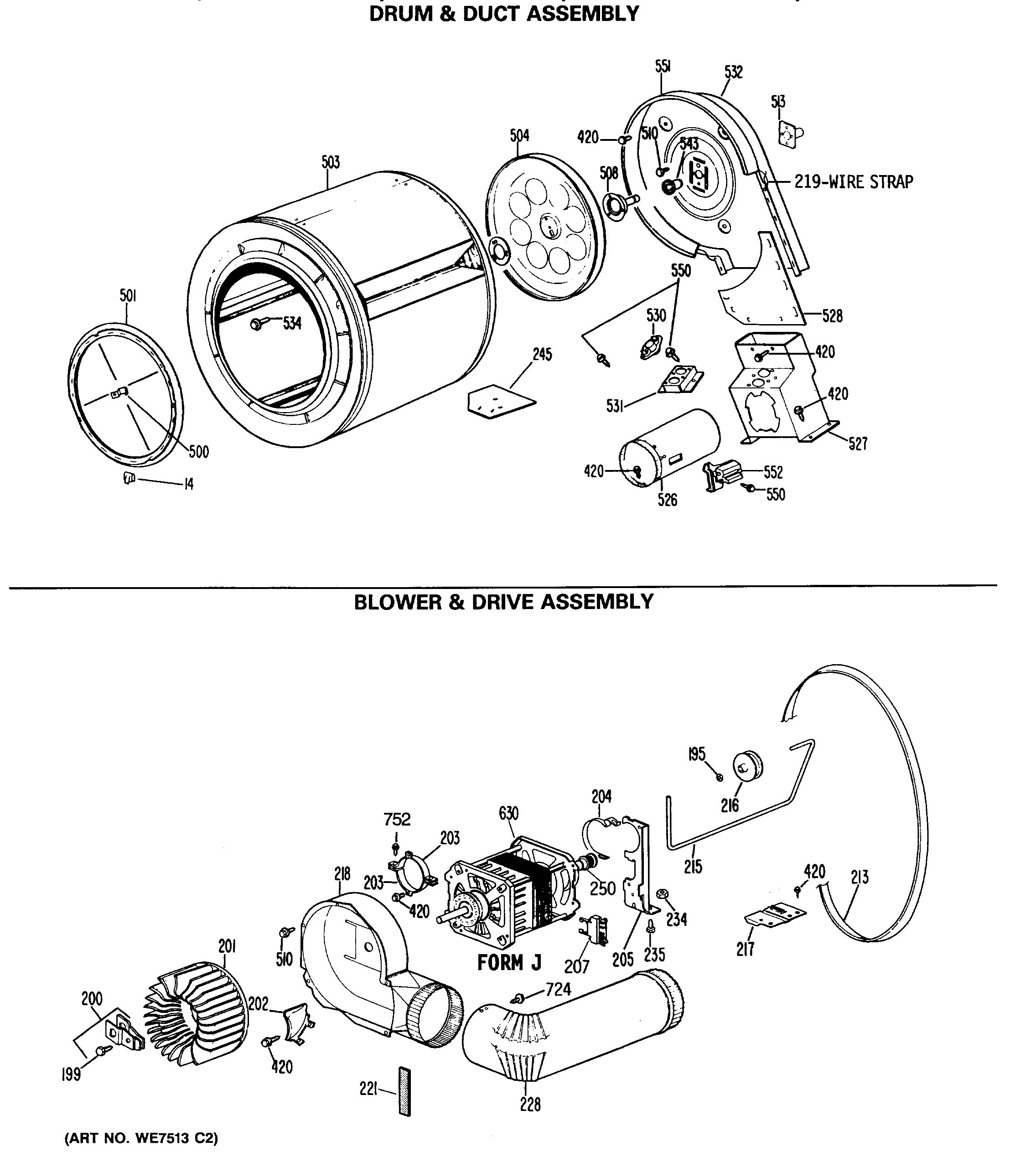
DDG5180RCL DRUM & DUCT ASSEMBLYadmin2025-04-26T08:35:56+00:00DDG5180RCL DRUM & DUCT ASSEMBLY ProductsPositionProduct14GEN WE01X0762195GEN WH02X0885199GEN WE02X0280200WE1X688 GE Dryer Clamp and Screw201WE16M15 GE Washer Dryer Blower Wheel202GEN WE01X0689203WE13X200 GE Motor Strap204WE1X921 GE Motor Strap205GEN WE13X0161207WE17X10010 GE Washer Dryer Drive Motor and Pulley Assembly213WE12X10014 GE Washer Drive Belt215GEN WE03X0069216WE12X83 GE Dryer Idler Pulley217GEN WE13X0159218GEN WE14X0134219GEN WH16X0370221GEN WE01X1171228GEN WE14X0139234GEN WE02X0154235GEN WE02X0194245GEN WE01X1055250GEN WE12X0041420GEN WH02X0893500GEN WE01X0299501GEN WE09X0030503GEN WE21X0049504GEN WE14X0086508WE25M40 GE Dryer Rear Bearing Kit510WE2X263D GE Screw Package 12 C92513WE1X461 GE Bearing Retainer526CHAMBER COMBUSTION 6'527GEN WE14X0083528GEN WE14X0072530THERMOSTAT L300-40531GEN WE13X0138532GEN WE14X0125534GEN WE02X0153543WE3X75 GE Dryer Rear Drum Bearing550GEN WE02X0281551GEN WE09X0044552WE4X448 GE Heat Detector Assembly724SCREW 10-16 X 1/2" HEX