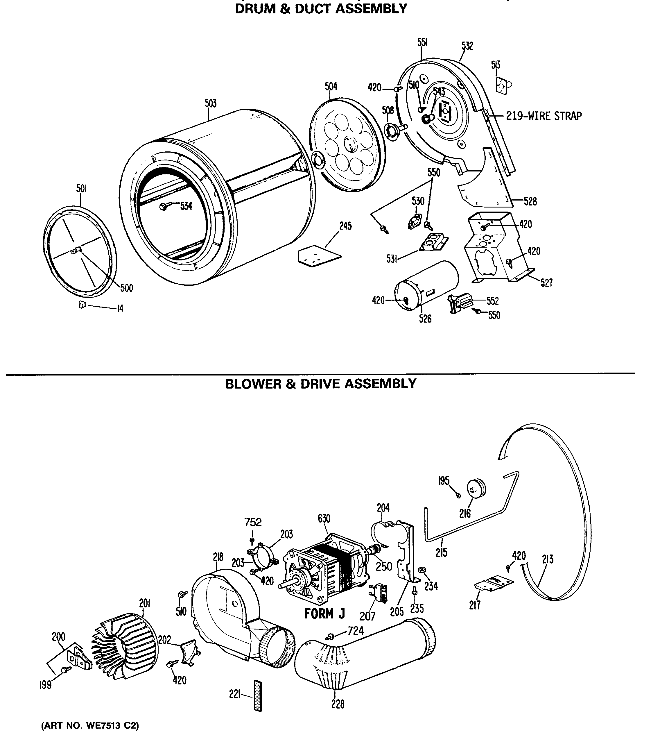
DDG5180RCLWW DRUM & DUCT ASSEMBLY