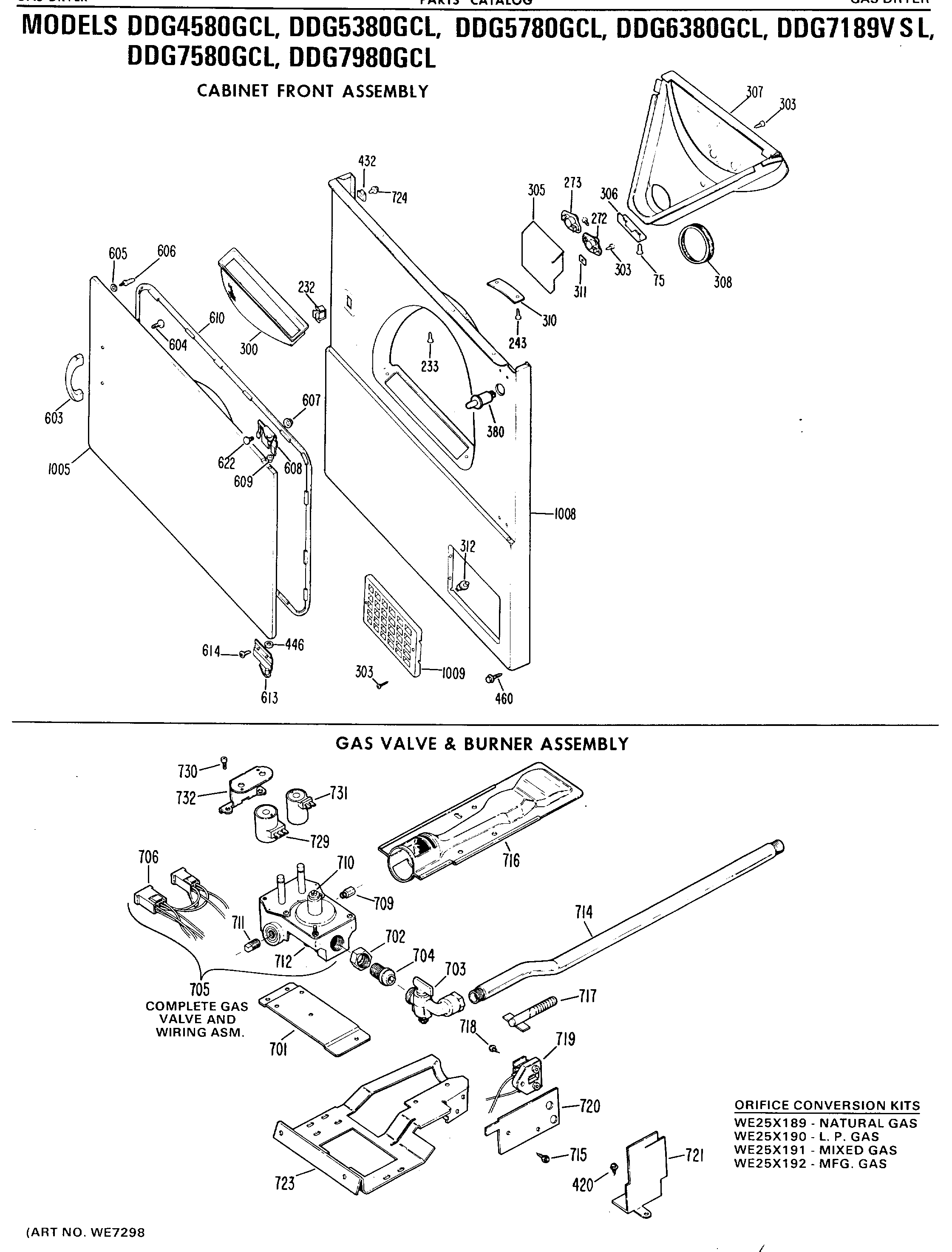
DDG6380GCL CABINET FRONT ASSEMBLY