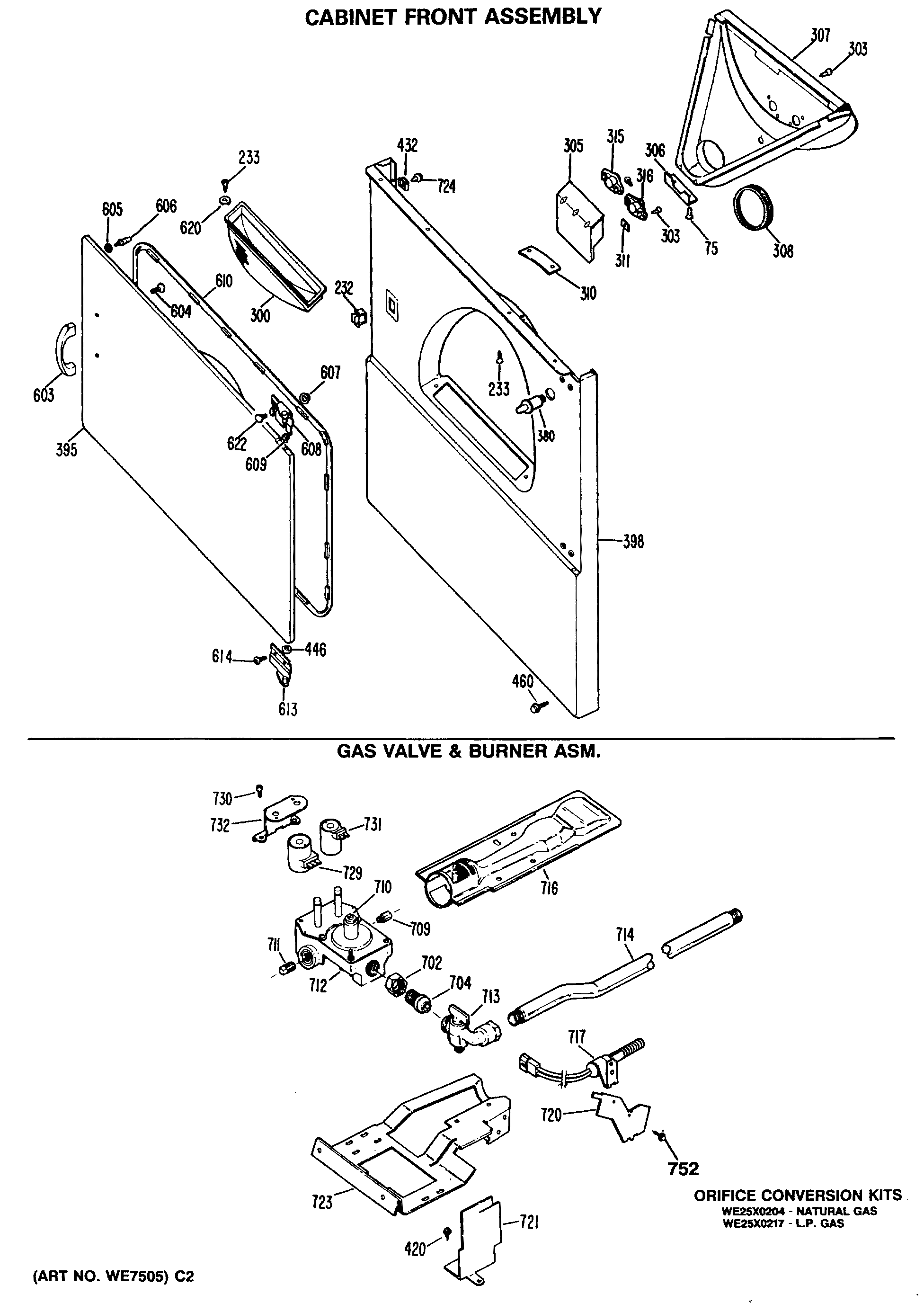
DDG7280RCL CABINET FRONT ASSEMBLY