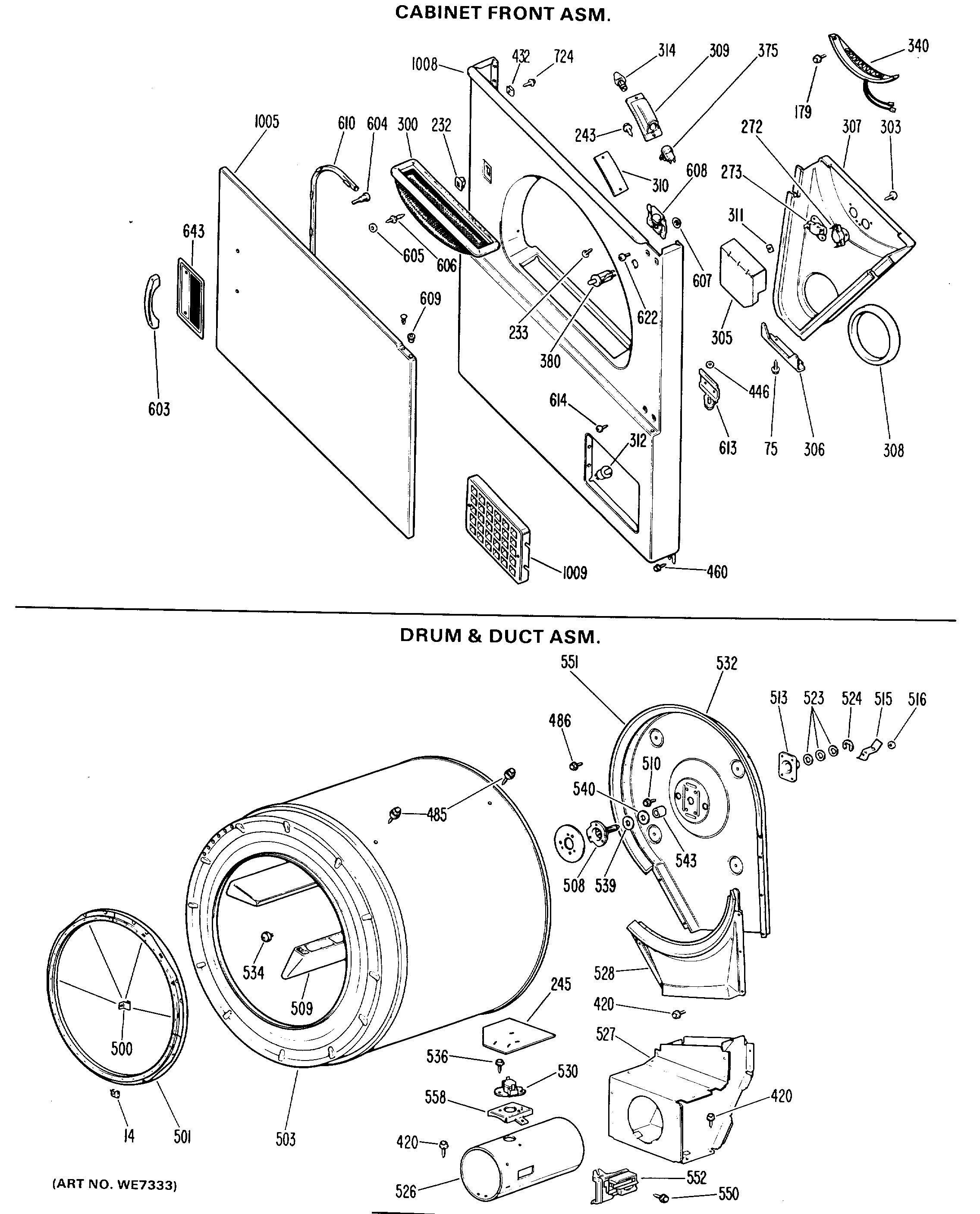
DDG8280GDL CABINET FRONT ASM.