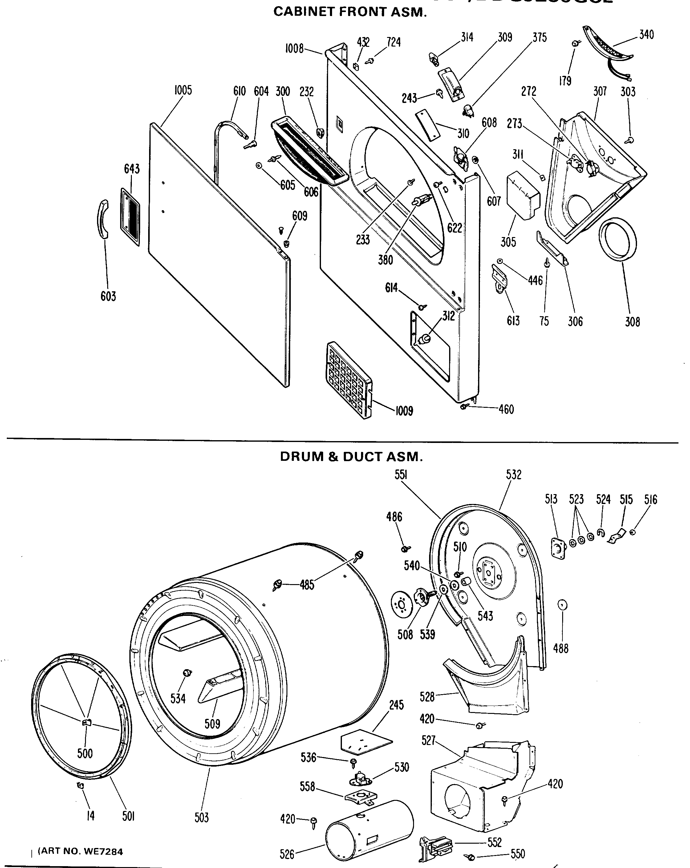
DDG9280GCL CABINET FRONT ASMadmin2025-04-26T10:28:01+00:00DDG9280GCL CABINET FRONT ASM ProductsPositionProduct14GEN WE01X076275WH2X930 GE Screw232WE1M1011 GE Washer Dryer Door Latch233GEN WZ04X0236243GEN WZ05X0155245GEN WE01X1055272GEN WE04X0607273GEN WE04X0608300FILTER ASM LINT303GEN WE02X0270305GEN WE01X0944306GEN WE01X0409307DUCT TRAP308WE9X38 GE Dryer Felt Seal Assembly309GEN WE01X0427311GEN WE02X0192312GEN WE02X0191314LAMP K340GEN WE04X0667380GEN WE04X0197420GEN WH02X0893432GEN WL02X0071446GEN WE02X0279460GEN WZ04X0264485GEN WE02X0312488SPACER-DIFFUSER500GEN WE01X0299501GEN WE09X0030503GEN WE21X0059509BAFFLE-DRUM510WE2X263D GE Screw Package 12 C92513WE1X461 GE Bearing Retainer515WE1X1172 GE Strap Assembly516WR01X10212 GE Refrigerator 8-32 Nut523WASHER FLAT524RING RETAINING526CHAMBER-COMBUSTION527GEN WE14X0160528COVER-DUCT530THERMOSTAT L300-40532GEN WE14X0159534GEN WE02X0153536GEN WE02X0318539WE25M40 GE Dryer Rear Bearing Kit540WASHER FLAT543WE3X75 GE Dryer Rear Drum Bearing550GEN WE02X0281551GEN WE09X0044552WE4X448 GE Heat Detector Assembly558GEN WE13X0165603GEN WE01X1054604GEN WE02X0227605GEN WZ10X0016606GEN WE01X1042607NUT SHEET METAL K608GEN WE01X0345609GEN WE01X0404610GEN WE09X0028613GEN WE01X0344614GEN WZ04X0257622GEN WE02X0177643GEN WE19X0861724SCREW 10-16 X 1/2" HEX1005DOOR ASM WH1005DOOR ASM AD1005DOOR ASM HA1008CABINET FRONT ASM HA1008CABINET FRONT ASM AD1008CABINET FRONT ASM WH1009GEN WE10X02541009GEN WE10X02561009GEN WE10X0205