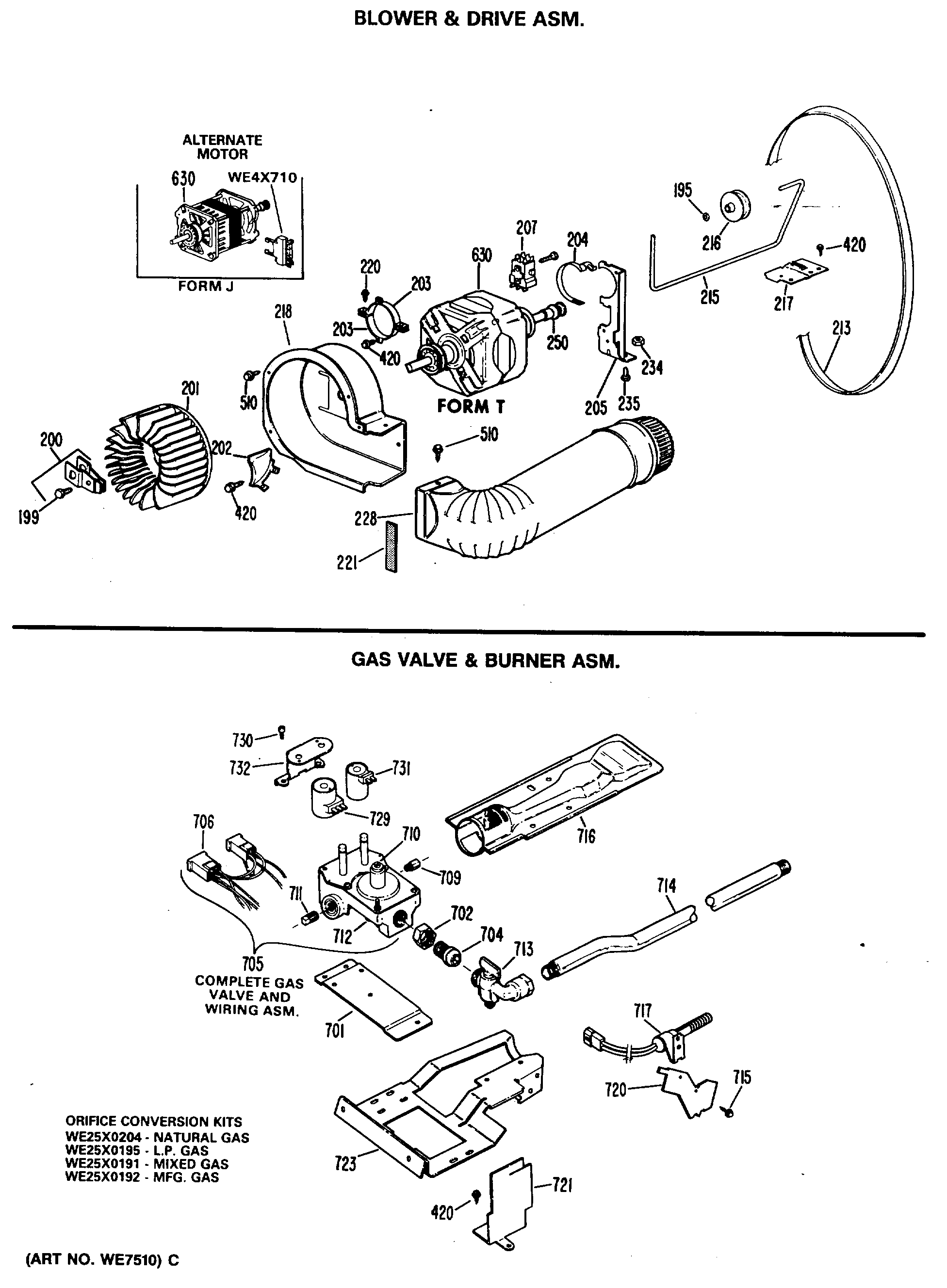
DDG9580MBL BLOWER & DRIVE ASM.admin2025-04-26T10:28:14+00:00DDG9580MBL BLOWER & DRIVE ASM. ProductsPositionProduct195GEN WH02X0885199GEN WE02X0280200WE1X688 GE Dryer Clamp and Screw201WE16M15 GE Washer Dryer Blower Wheel202GEN WE01X0689203WE13X200 GE Motor Strap204WE1X921 GE Motor Strap205GEN WE13X0161207SWITCH START (FORM T)213WE12X10014 GE Washer Drive Belt215GEN WE03X0069216WE12X83 GE Dryer Idler Pulley217GEN WE13X0159218GEN WE14X0134221GEN WE01X1171228ELBOW-EXHAUST234GEN WE02X0154235GEN WE02X0194250GEN WE12X0041420GEN WH02X0893510WE2X263D GE Screw Package 12 C92630WE17X10010 GE Washer Dryer Drive Motor and Pulley Assembly701GEN WE13X0166702GEN WE02X0319704GEN WE02X0320705WE14X215 GE Gas Valve709WE1X1148 GE Main Orifice710WE1X1076 GE Leak Limiter713GEN WE01X1078714PIPE LUG ASM715GEN WD02X5063716WE14M104 GE Burner Assembly717WE04X25996 GE Washer Igniter720GEN WE13X0183721GEN WE13X0118723BRACKET VALVE729WE4X692 GE Gas Valve Solenoid730WR01X10317 GE Refrigerator Screw 8-32 CA Hex Washer 1/2731WE4X693 GE Main Coil732GEN WE13X0169