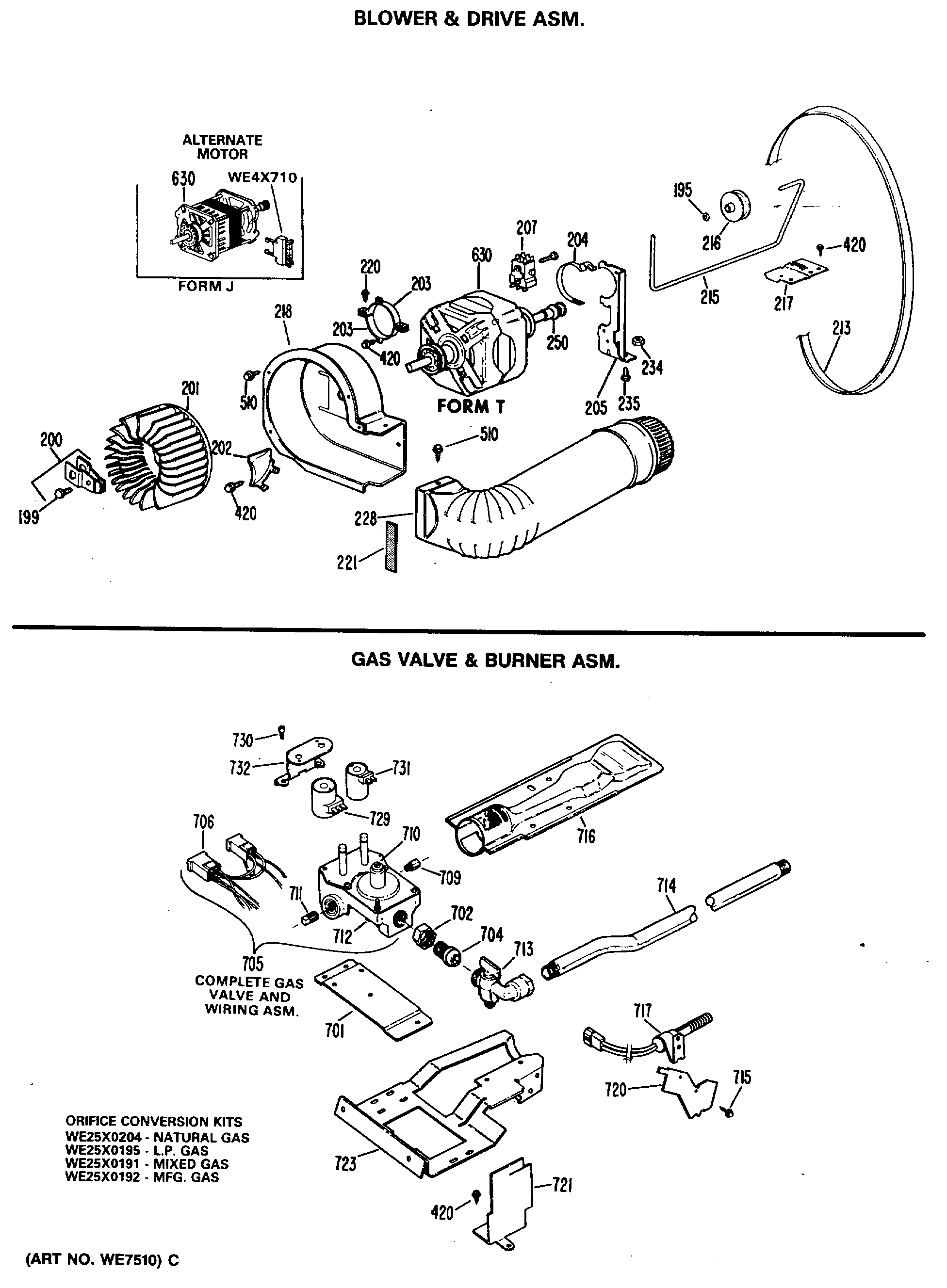
DDG9680MBL BLOWER & DRIVE ASM.