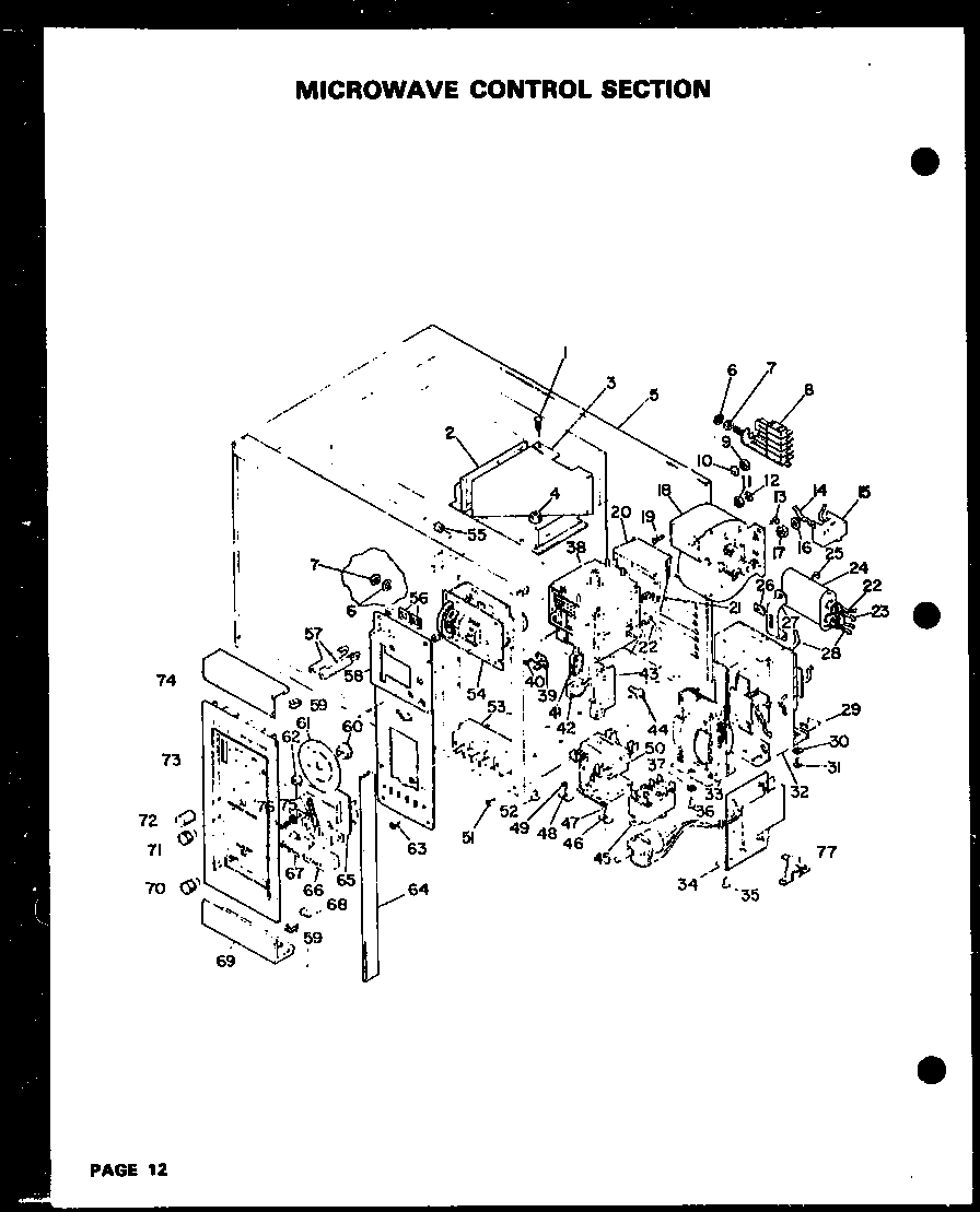
DDO-692A 05 – MICROWAVE CONTROL SECTIONadmin2025-04-26T08:56:20+00:00DDO-692A 05 – MICROWAVE CONTROL SECTION ProductsPositionProduct1MAY 71-13-0022MAY 82-08-0672MAY 82-08-0683MAY 74-13-0985MAY Y00401987MAY 71-03-0418MAY 74-03-09211MAY 71-03-03713MAY 71-02-11514MAY Y004529415MAY 74-13-06216MAY 71-09-01117MAY 71-03-02518MAY 74-13-09119MAY 71-02-09820MAY 74-13-05421MAY 71-04-09722MAY Y004529323MAY 56-43-74124MAY 74-13-04327MAY 71-13-00428MAY Y004637829MAY 71-04-09032MAY 74-13-01633MAY 74-13-09034MAY 74-13-05336MAY 71-02-08038MAY 74-13-01739MAY 74-13-06940MAY 71-02-10541MAY 74-13-07142MAY 74-13-07243MAY 74-13-05244MAY 71-02-10645MAY 74-13-04048MAY 71-04-09450MAY 74-13-03953MAY 74-13-07654MAY 74-13-08555SEE NOTE GROUND WIRE, GREEN56MAY 71-04-09357MAY 74-13-09957MAY 71-05-02558MAY 004830959MAY 71-04-09260MAY 71-03-03861MAY 77-13-03363MAY 71-02-09364MAY 77-13-03865MAY 74-13-08966MAY 77-13-02367MAY 77-13-02468MAY 71-02-11271MAY 77-13-00772MAY 77-13-03573MAY 77-13-02774MAY 77-13-03975MAY 71-09-03976MAY 71-02-10477MAY 74-03-077