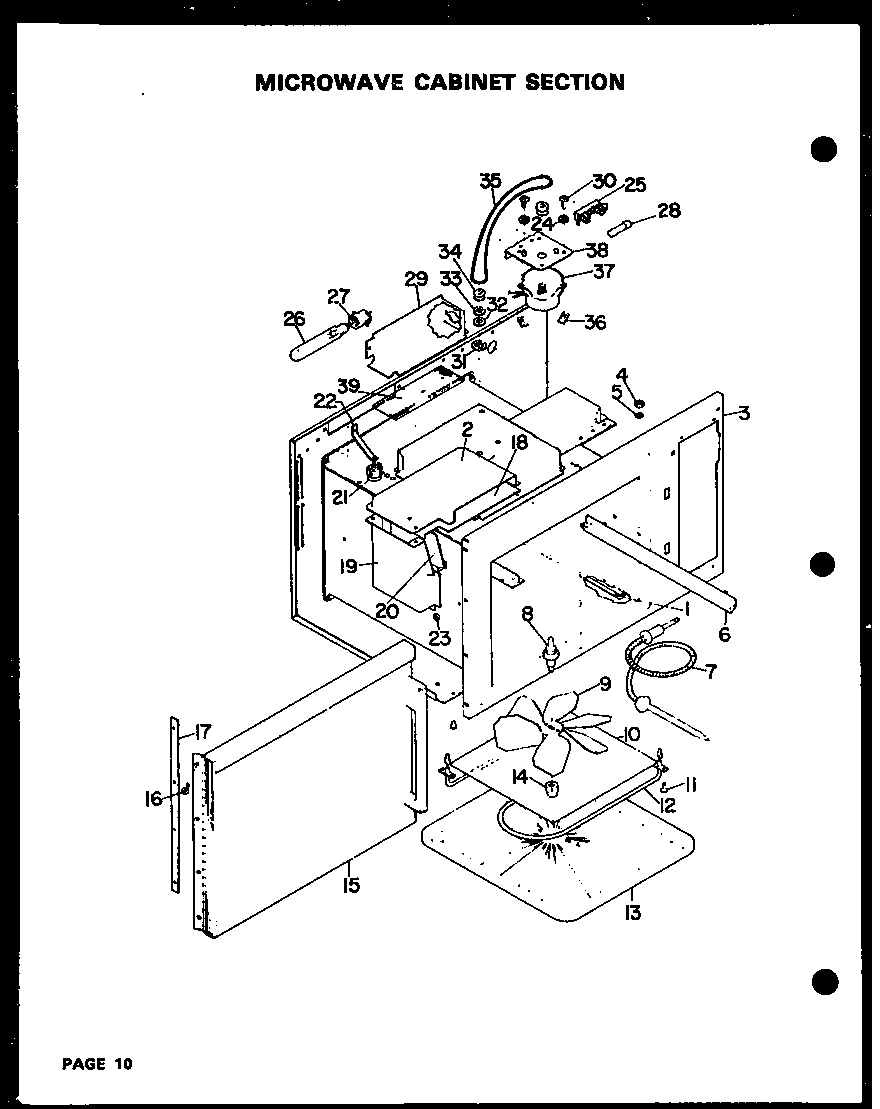
DDO-692B 04 – MICROWAVE CABINET SECTIONadmin2025-04-26T08:56:27+00:00DDO-692B 04 – MICROWAVE CABINET SECTION ProductsPositionProduct1MAY 44-02-3261MAY 44-02-3272MAY 32-01-0713MAY 74-13-0334MAY 71-03-0256MAY 77-13-0297MAY 74-13-0878MAY 74-13-0588MAY 72-04-0359MAY 78-13-00310MAY 79-13-00112MAY 74-13-01313MAY 79-02-22314MAY 74-13-06115MAY 004973916MAY 71-02-10317MAY Y004105519MAY Y004056221MAY 74-13-06822MAY 74-13-06723MAY 71-03-03724MAY 71-09-04025MAY 74-13-02926MAY 74-07-02127MAY 74-08-09028MAY 74-13-02829MAY 004105430MAY 71-02-10431MAY 71-09-03832MAY 71-09-03333MAY 71-09-03434MAY 74-13-06635MAY 74-13-06436MAY 71-04-09437MAY 74-13-04538MAY 44-01-69739MAY 79-13-003