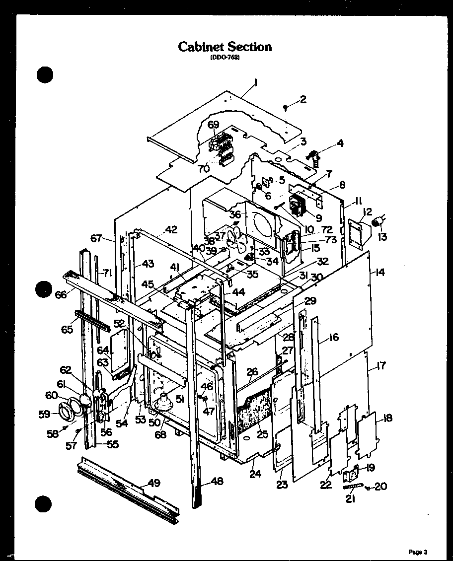
DDO-762 01 – CABINET SECTIONadmin2025-04-26T08:56:38+00:00DDO-762 01 – CABINET SECTION ProductsPositionProductNIMAY Y0040743NIMAY 20-06-196NIMAY 16-09-092NIMAY 44-02-332NIMAY 44-02-334NIMAY Y0040796NIMAY Y0041017NIMAY Y0801155NIMAY Y00410181MAY 16-01-0254MAY 00453115MAY 44-01-5887MAY 71-03-0258MAY 44-01-6529MAY 74-09-02210MAY 71-01-11311MAY 16-09-09512MAY 004074013MAY 74-08-06314MAY 16-02-18015MAY Y004079516MAY Y004075419MAY 44-01-67021MAY 44-01-67124MAY Y004075225MAY 72-01-04226MAY 74-06-17527MAY 53-01-18028MAY 004074429MAY Y004058632MAY 004083134MAY 74-03-11835MAY 74-03-09136MAY 44-01-65137MAY 71-02-08838MAY 78-06-01840MAY 004103041MAY 44-01-64342MAY Y004103145MAY Y004083246MAY 71-02-10247MAY 44-01-68048MAY 77-04-35349MAY 77-04-29450MAY 75-06-24350MAY 74-09-02451MAY Y004633452MAY 004515353MAY Y004074254MAY 16-02-16155MAY 77-04-35456MAY Y004705557MAY 71-02-10158MAY 71-02-12059MAY 44-01-64560MAY 72-03-08461MAY 79-02-19762MAY 74-07-00363MAY 78-03-01864MAY Y004079865MAY 72-04-03266MAY 77-04-40967MAY 16-02-18168MAY Y004748169MAY 74-03-08171MAY 77-04-42271MAY 77-04-38472MAY 74-08-08673MAY 74-03-120