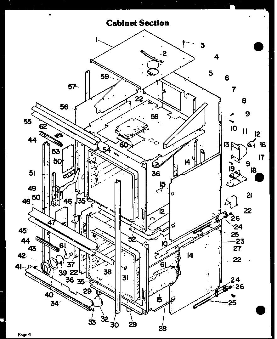
DDO-790 02 – CABINET SECTIONadmin2025-04-26T08:56:43+00:00DDO-790 02 – CABINET SECTION ProductsPositionProductNIMAY 0040794NIMAY 0040398NIMAY 00404051MAY 00402852MAY 00409114MAY 00405425MAY Y00403486MAY Y00407457MAY Y004074610MAY 004074410MAY Y004075111MAY Y004074312MAY Y004058113MAY Y004240614MAY Y004111315MAY Y004197616MAY 004218017MAY 004074018MAY Y004204619MAY Y004205620MAY Y004078321MAY 004102122MAY Y004074223MAY Y004034924MAY Y4099025MAY 004272526MAY Y004185327MAY 004075528MAY Y004075229MAY Y004101930MAY Y004258531MAY Y004092532MAY Y6333734MAY 004257635MAY 59208CG36MAY 4015037MAY 004033838MAY 4084939MAY Y004276940MAY Y004198742MAY 004099543MAY 4258644MAY Y004201544MAY Y004201845MAY Y004258046MAY 004102047MAY Y4180848MAY Y004181649MAY Y004149250MAY Y004079851MAY Y004274052MAY Y004074153MAY Y004084854MAY 004181555MAY Y004257256MAY Y40337R56MAY Y40336L57MAY Y004075358MAY Y004090359MAY Y004074760MAY Y004079761MAY Y004217562MAY Y0042041