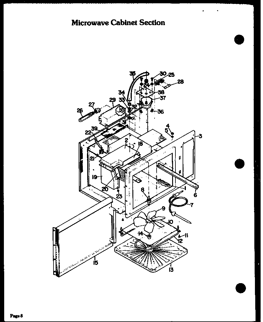
DDO-862 04 – MICROWAVE CABINET SECTION