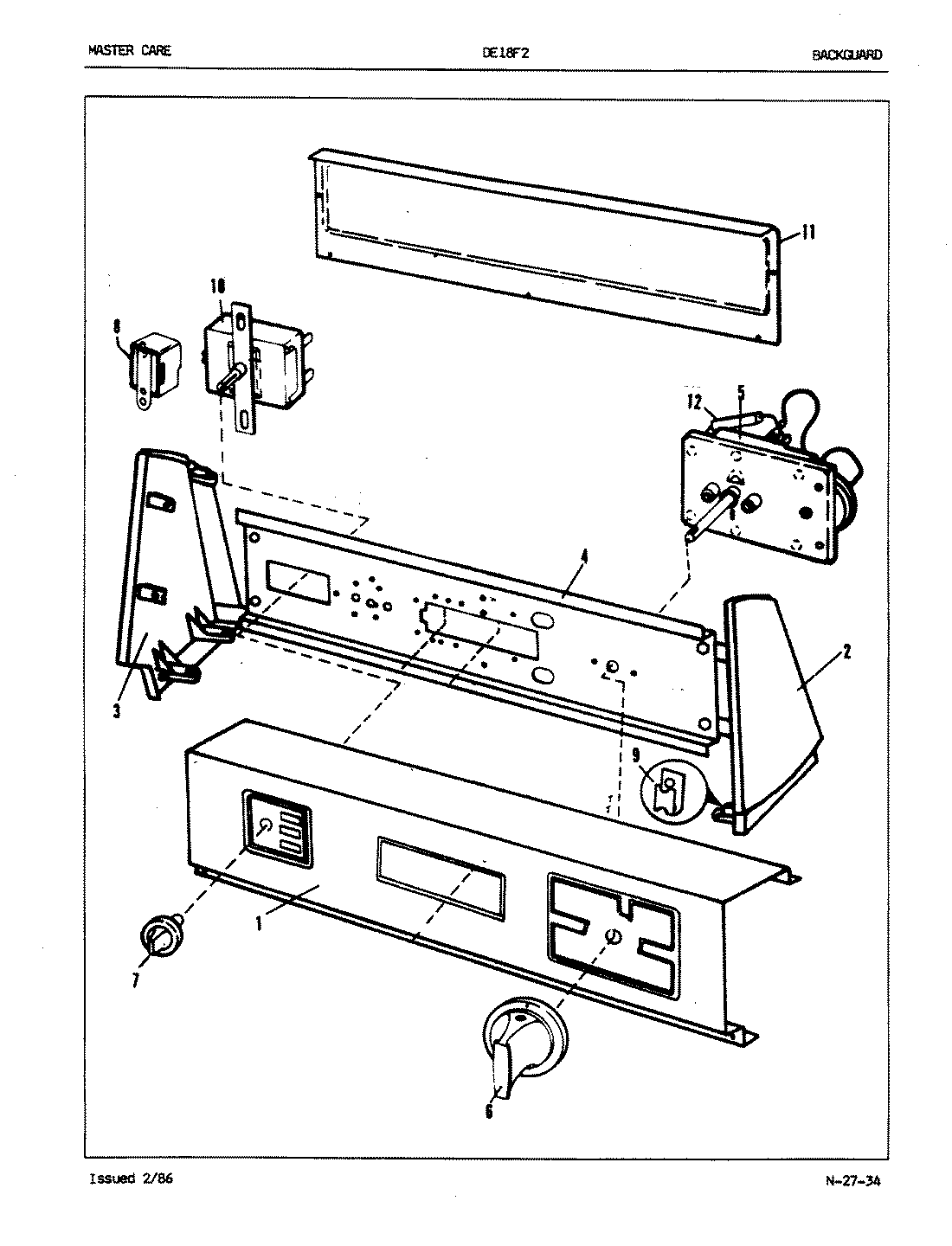
DE18F2WW 01 – CONTROL PANEL (REV. J)