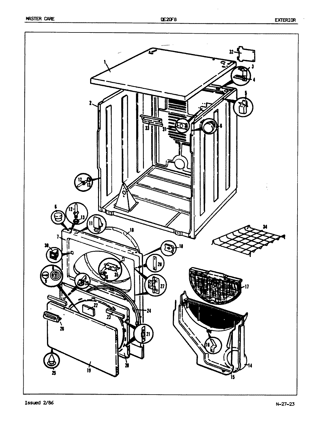
DE20F8 03 – EXTERIOR (REV. J-K)admin2025-04-26T08:56:39+00:00DE20F8 03 – EXTERIOR (REV. J-K) ProductsPositionProduct1MAY 53-01242MAY 53-06673MAY 63-57124WP90767 Whirlpool Screw4MAY 33-09305MAY 25-30346MAY 33-26537MAY 53-012610MAY 25-781710WP489478 Whirlpool Refrigerator Screw11WP25-7220 Whirlpool Cabinet Clip12MAY 63-614813MAY 25-022413MAY 53-020014MAY 53-091715MAY 53-020416MAY 53-012317WP53-0701 Whirlpool Lint Screw18MAY 53-028219MAY 53-015420MAY 53-010421MAY 53-011922MAY 53-025123MAY 53-025224MAY 25-777024WP31001529 Whirlpool Door Seal25MAY 25-353426MAY 53-011626MAY 25-781027MAY 53-012228MAY 53-012128LA-1003 Whirlpool Dryer Door Catch and Metal Strike28W10756178 Whirlpool Screw29MAY 73-003330MAY 53-088231MAY 53-013531WP489483 Whirlpool Screw32NOT REQUIRED PART OR SEE NOTE FUSE (NOT REQUIRED)32MAY 53-013633MAY 53-013333MAY 25-345734MAY LA-100534MAY 53-077235MAY 53-014836MAY 63-5990