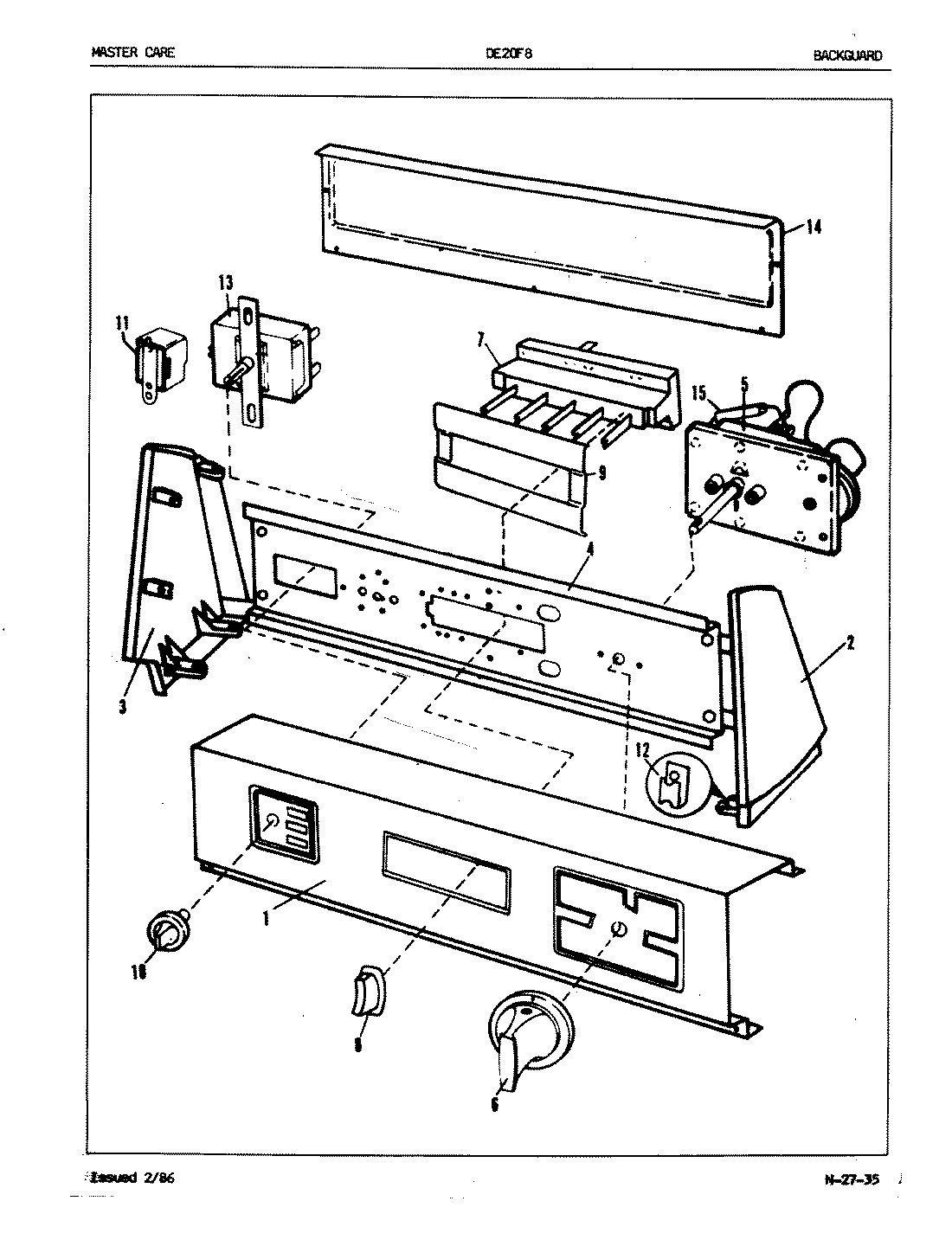
DE20F8WW 01 – CONTROL PANEL (REV. A-H)admin2025-04-26T08:56:40+00:00DE20F8WW 01 – CONTROL PANEL (REV. A-H) ProductsPositionProduct1MAY 25-77931MAY 53-10171MAY 53-08262MAY 53-02653MAY 53-02363MAY 53-02373MAY 53-02643MAY 25-77604MAY 53-03235MAY 63-56855MAY 53-05465MAY 63-66905MAY 25-00886MAY 53-04706MAY 53-06546MAY 25-60446MAY 53-06537MAY 53-04598MAY 35-01708MAY 35-03859MAY 25-77129MAY 33-662110MAY 35-016810MAY 33-028111MAY 63-673112MAY 25-770213MAY 53-039414MAY 25-345714WP90767 Whirlpool Screw14MAY 34-948714MAY 25-743514MAY 25-785214MAY 25-769714MAY 25-785114MAY 53-026815MAY 63-6743