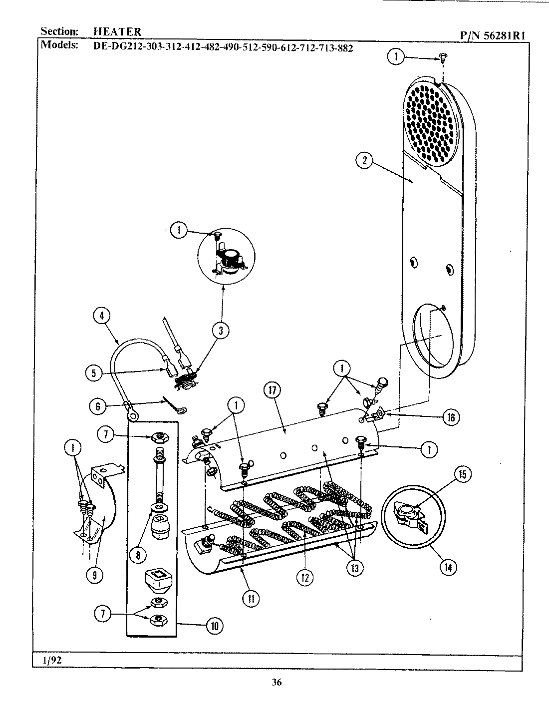
DE212 05 – HEATER