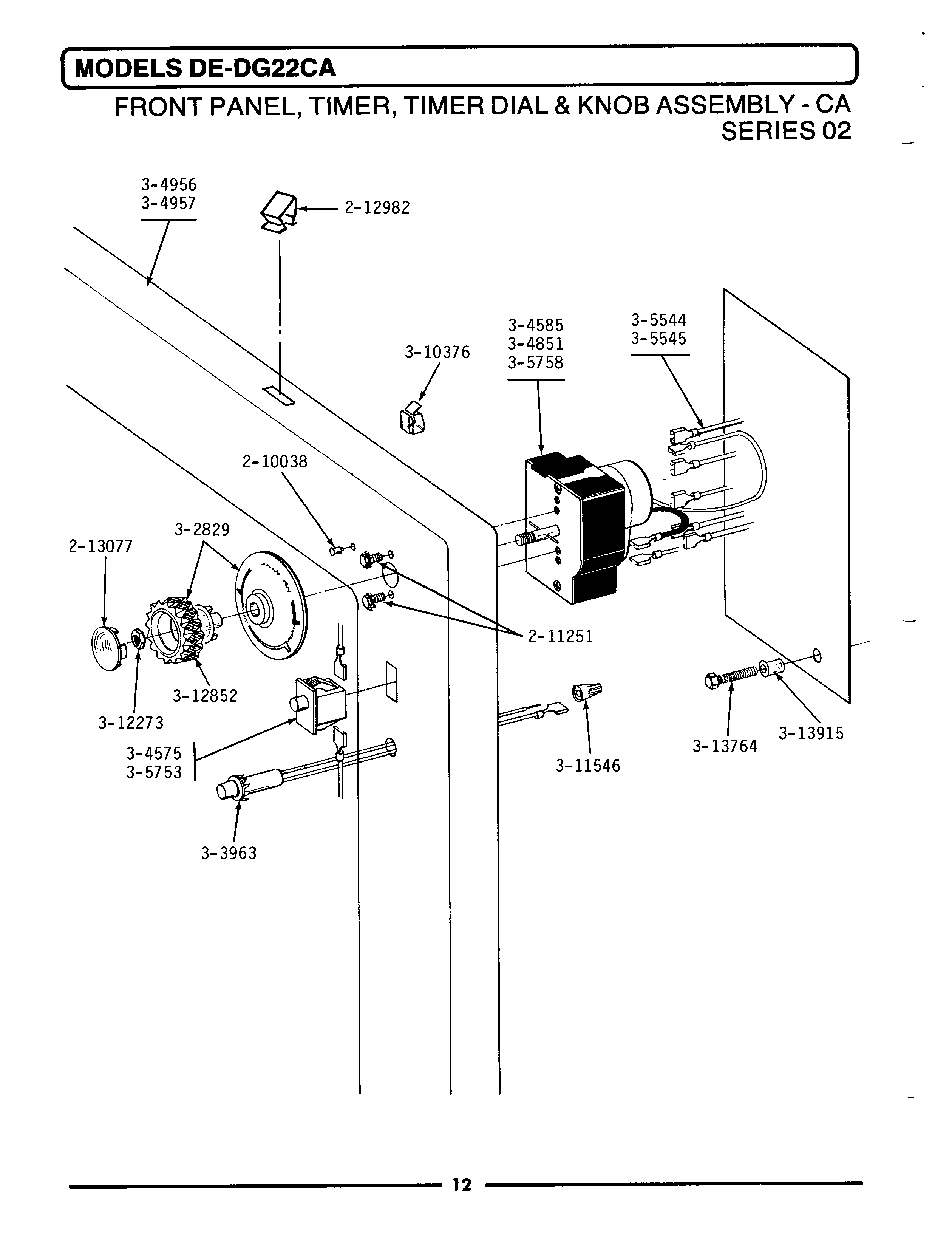
DE22CA 04 – FRONT PANEL, TIMER, TIMER DIAL & KNOB
Products
| Position | Product |
|---|---|
| 002 | MAY 211251 |
| 003 | MAY 212982 |
| 004 | MAY 213077 |
| 005 | MAY Y302829 |
| 006 | INDICATOR LIGHT |
| 007 | W10169313 Whirlpool Door Switch Kit |
| 008 | MAY Y304585 |
| 011 | MAY 305544 |
| 013 | MAY Y305758 |
| 014 | MAY Y310376 |
| 015 | MAY 311546 |
| 016 | W10155650 Whirlpool Nut |
| 017 | MAY 312852 |
| 019 | DOWEL PIN FOR HANDLE |