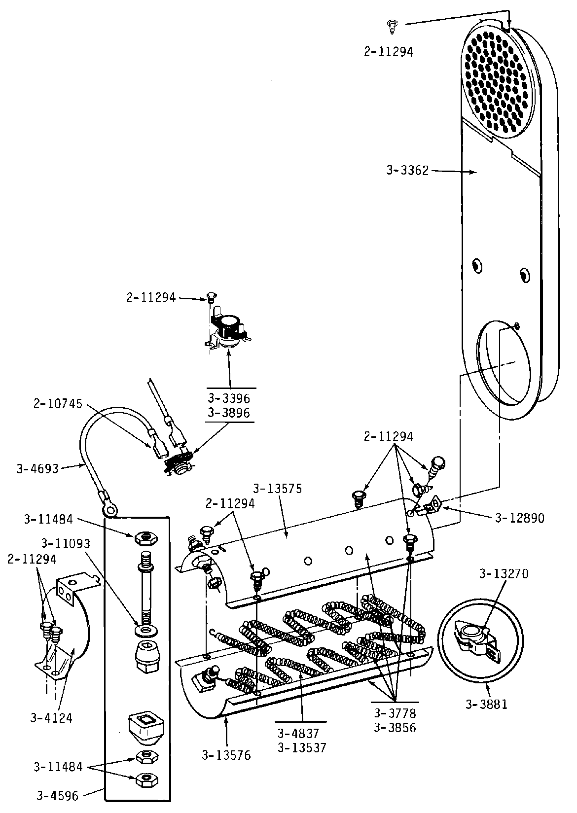
DE23CD 07 – INLET DUCT & HEATER ASSEMBLYadmin2025-04-26T08:56:32+00:00DE23CD 07 – INLET DUCT & HEATER ASSEMBLY ProductsPositionProduct001MAY 210745002WP90767 Whirlpool Screw003MAY Y303362004WP303396 Whirlpool Thermostat005MAY Y303778006MAY Y303856007WPY303881 Whirlpool Clip and Insulator008WP303896 Whirlpool High Limit Thermostat009MAY 304124010Y304596 Whirlpool Terminal Insulator Assembly011WPY304693 Whirlpool Wire Jumper012W10116793 Whirlpool Element013WP311093 Whirlpool Washer 7014WP112432 Whirlpool Nut Assembly015MAY Y312890016MAY Y313270017MAY Y313537018MAY Y313575019MAY Y313576