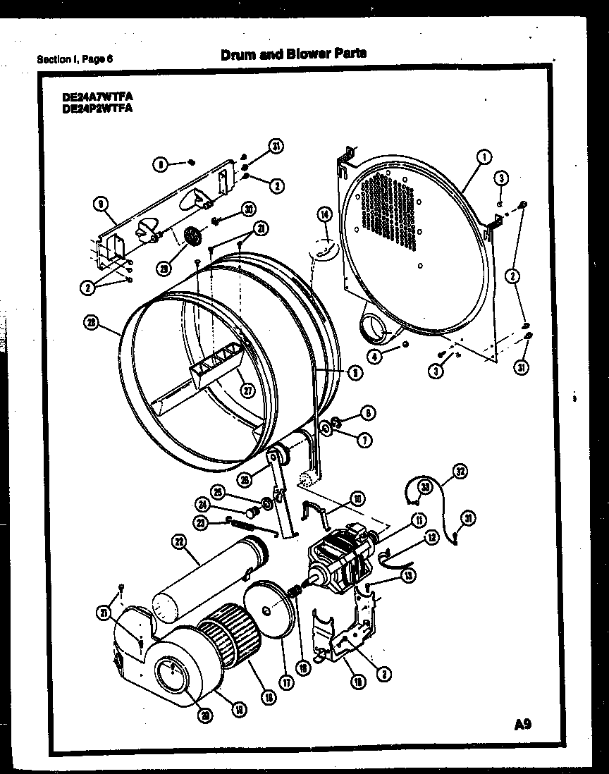
DE24P2WTFA 03 – DRUM AND BLOWER PARTSadmin2025-04-26T08:53:36+00:00DE24P2WTFA 03 – DRUM AND BLOWER PARTS ProductsPositionProduct*32106SWITCH-MTR-GE1WCI F078841-0003ACLIP-HARNESS TO PLENUM4WCI F131168-0005WCI F078448-0006F073088-000 Frigidaire Ring75360792000 Frigidaire Washer8SPEED CLIP, PRESSURE HOSE TO CABINET (2)9WCI F078185-10010MOTOR CLIP (2)11WCI F140566-000125304464772 Frigidaire Refrigerator Wire Tie13SEMS SCREW14WCI F131736-00015WCI F078190-02616WCI F064360-00017WCI F064354-02818WCI F140935-00019WCI F141418-00020WCI F141604-00022WCI F140414-00023WCI F130396-00024WCI F079485-00025WCI F076822-00026IDLER WHEEL ASSEMBLY (IDLER BAR ASSEMBLY WHEEL AND WASHE27WCI F078188-10028AWCI F079436-00028WCI F078183-03229WHEEL, TIRE, NYLINER ASSEMBLY (NOTE 1) (5)30WCI F076978-00031D5303015671 Frigidaire Bracket Termination Screw32GROUND WIRE, ELECTRIC33WCI F132144-000