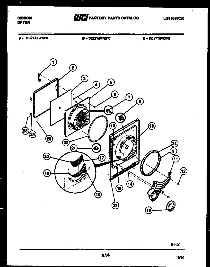
DE27A7WXFB 03 – DOOR PARTSadmin2025-04-26T08:53:50+00:00DE27A7WXFB 03 – DOOR PARTS ProductsPositionProduct1WCI 53032810532DOOR-OUTER-WHEAT2PANEL-O.D. WHITE2PANEL-O.D. ALMD3SHIELD, HEAT4SPACER (2)4AWCI 32012055PANEL - ID WHITE5DOOR-INNER-WHEAT5PANEL-I.D. ALMD6WCI 530328105175303207102 Frigidaire Door Strike8131658800 Frigidaire Dryer Door Catch Repair Kit9WCI 5303281049105303937139 Frigidaire Dryer Felt Seal and Glide Kit Drum11WCI 530801517312WCI 328108913134417000 Frigidaire Seal145300809968 Frigidaire Dishwasher P-1 Washer15CLIP GUIDE (4)16CLIP17131420300 Frigidaire Screw18CLIP19WCI 530328106020WCI 530328105921WCI 530328104422GASKET, DOOR24HINGE, DOOR (2)25SCREW (8)33WCI 320581333WCI 320581533WCI 320581434WCI 3201264