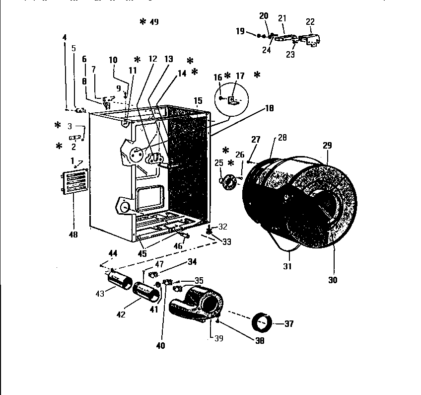
DE400EDD4 04 – DRUM