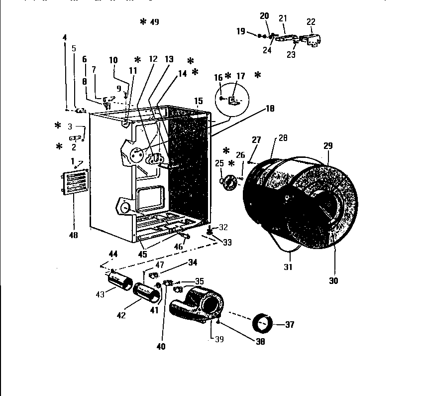
DE400EDF4 04 – DRUM