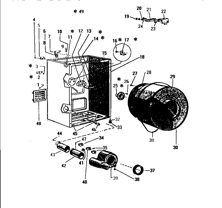
DE400EDH5 04 – DRUM