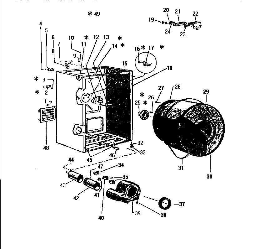
DE400EDW5 04 – DRUM