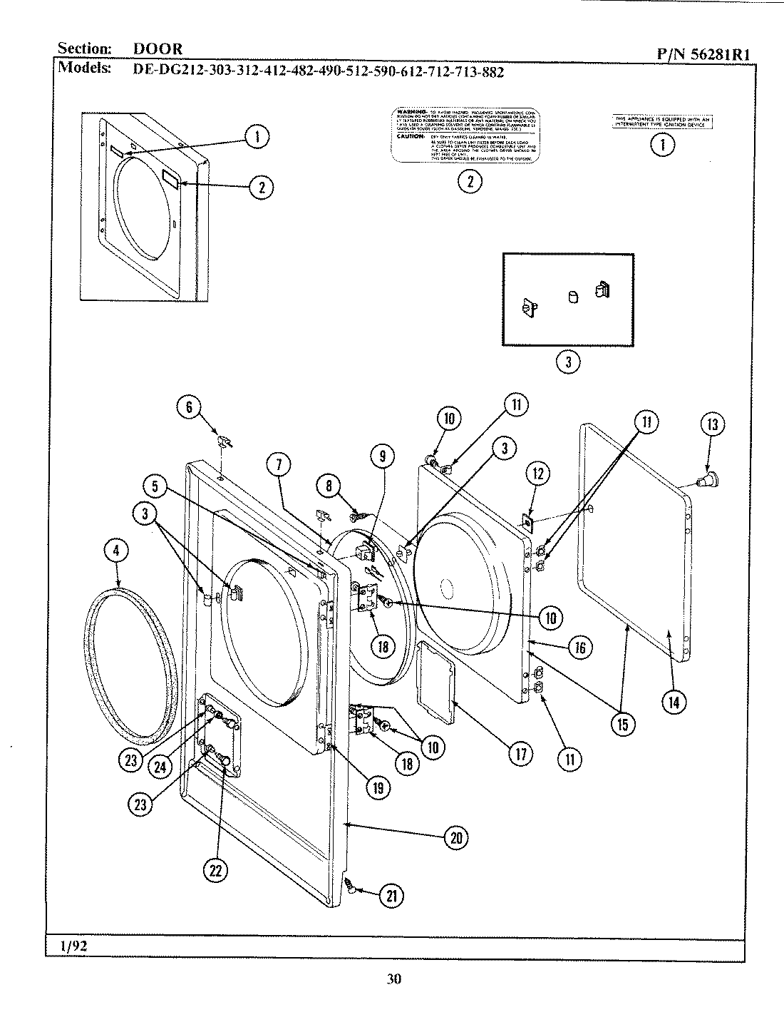
DE482 02 – DOOR