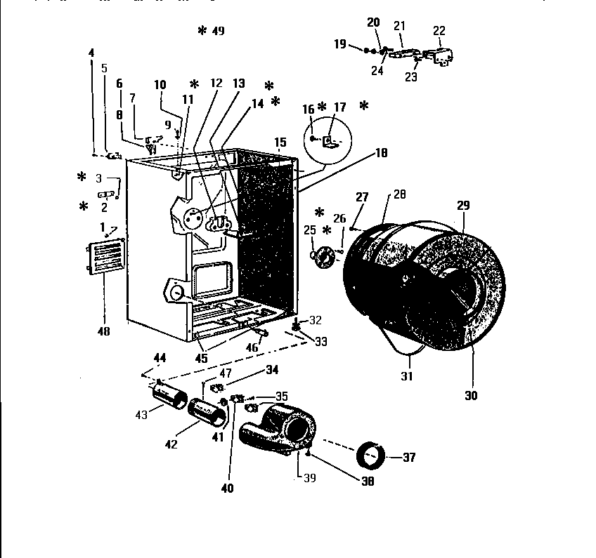
DE500EDH5 04 – DRUM