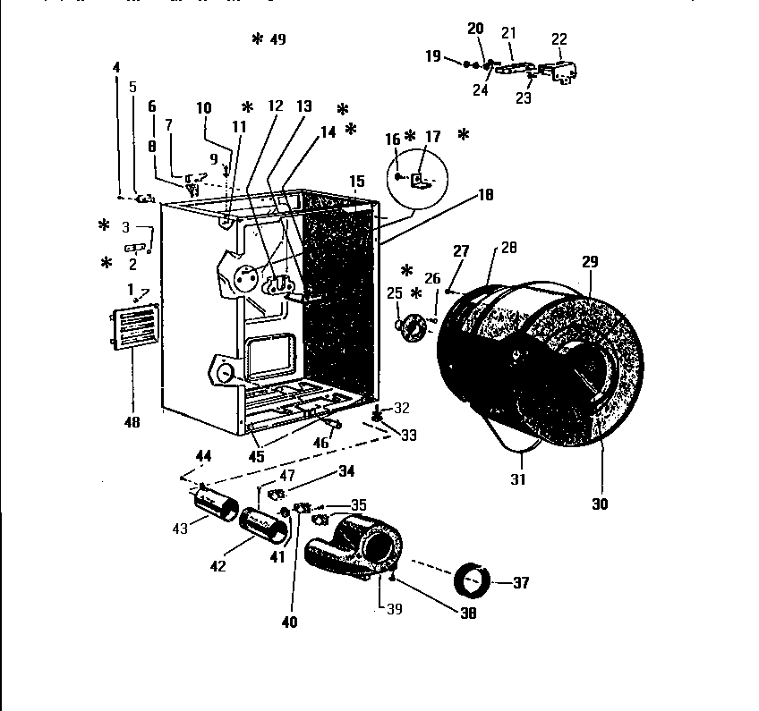
| 2 | SPEED NUT STRIP |
| 3 | BALL |
| 5 | WCI Q155561 |
| 6 | WCI Q435098 |
| 7 | WCI Q133281 |
| 8 | WCI Q133283 |
| 9 | WCI Q502482 |
| 10 | WCI Q440067 |
| 11 | WCI 1466314 |
| 12 | BEARING |
| 13 | BRACKET |
| 14 | SCREW |
| 16 | WCI Q505564 |
| 17 | BRACKET |
| 18 | BODY, FR AV |
| 19 | WCI Q401002 |
| 20 | WCI Q440082 |
| 21 | TERMINAL BLOCK |
| 22 | WCI Q133288 |
| 23 | WCI Q409702 |
| 24 | WCI Q403005 |
| 25 | SHAFT |
| 26 | SCREW |
| 27 | SCREW (3) |
| 28 | WCI Q165773 |
| 29 | SPINNER, BASKET |
| 30 | WCI Q615892 |
| 30B | WCI Q501592 |
| 30A | WCI Q615891 |
| 31 | WCI Q63807 |
| 33 | WCI Q16971 |
| 34 | THERMOSTAT, LOW HEAT |
| 35 | SCREW |
| 37 | WCI Q19462 |
| 38 | SCREW (4) |
| 39 | WCI Q171281 |
| 41 | WCI Q606131 |
| 42 | DUCT, THERM. |
| 43 | WCI Q182901 |
| 45 | WCI Q502956 |
| 46 | WCI Q504281 |
| 47 | SCREW (4) |
| 48 | WCI Q94811 |
| 49 | REAR BEARING KIT (INCL. KEY NOS. 3,4,10-12,14,15,17,21) |