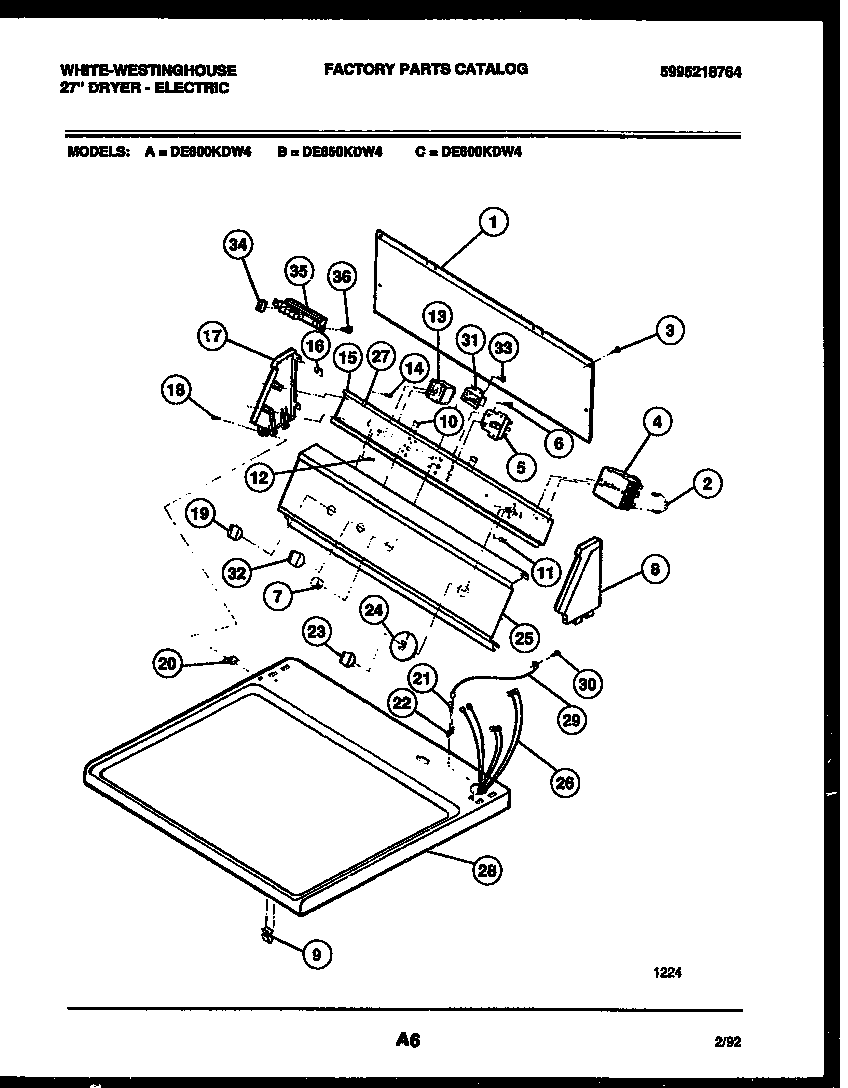
DE600KDD4 04 – CONSOLE AND CONTROL PARTSadmin2025-04-26T08:52:24+00:00DE600KDD4 04 – CONSOLE AND CONTROL PARTS ProductsPositionProduct1BACK COVER2RESISTOR3SCREW4WCI 53006343015SWITCH - START6WCI 080015447WCI 32012218WCI 320584093205821 Frigidaire Clip10PAD (2)11ASCREW (2)12WCI 328110113SWITCH-SELECTOR14SCREW (2)15WCI 320584116CLIP (8)17WCI 320584218SCREW (2)19WCI 530063372220WCI 328119221131243800 Frigidaire Screw22WCI 537917100023KNOB-TIMER24WCI 0801543425WCI 320586026A5303303590 Frigidaire Dryer 4.0" Cable Tie26WCI 530327086727WCI 328120028PANEL TOP-ALMOND29WCI 320130830SCREW (2)