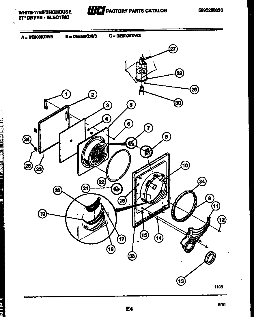
DE600KDW3 03 – DOOR PARTSadmin2025-04-26T08:52:33+00:00DE600KDW3 03 – DOOR PARTS ProductsPositionProduct1WCI 32810532PANEL-O.D. WHITE3HEAT SHIELD4WCI 32012054SPACER (2)5PANEL - ID WHITE6WCI 328105175303207102 Frigidaire Door Strike8131658800 Frigidaire Dryer Door Catch Repair Kit9SEAL105303937139 Frigidaire Dryer Felt Seal and Glide Kit Drum11WCI 0801517312WCI 328108913134417000 Frigidaire Seal145300809968 Frigidaire Dishwasher P-1 Washer15CLIP-GUIDE (4)16CLIP (4)17131420300 Frigidaire Screw18CLIP (2)19WCI 328106021SWITCH-DOOR22WCI 320121024DOOR HINGE (2)25SCREW (8)33WCI 530327086333WCI 530327085934WCI 3201264