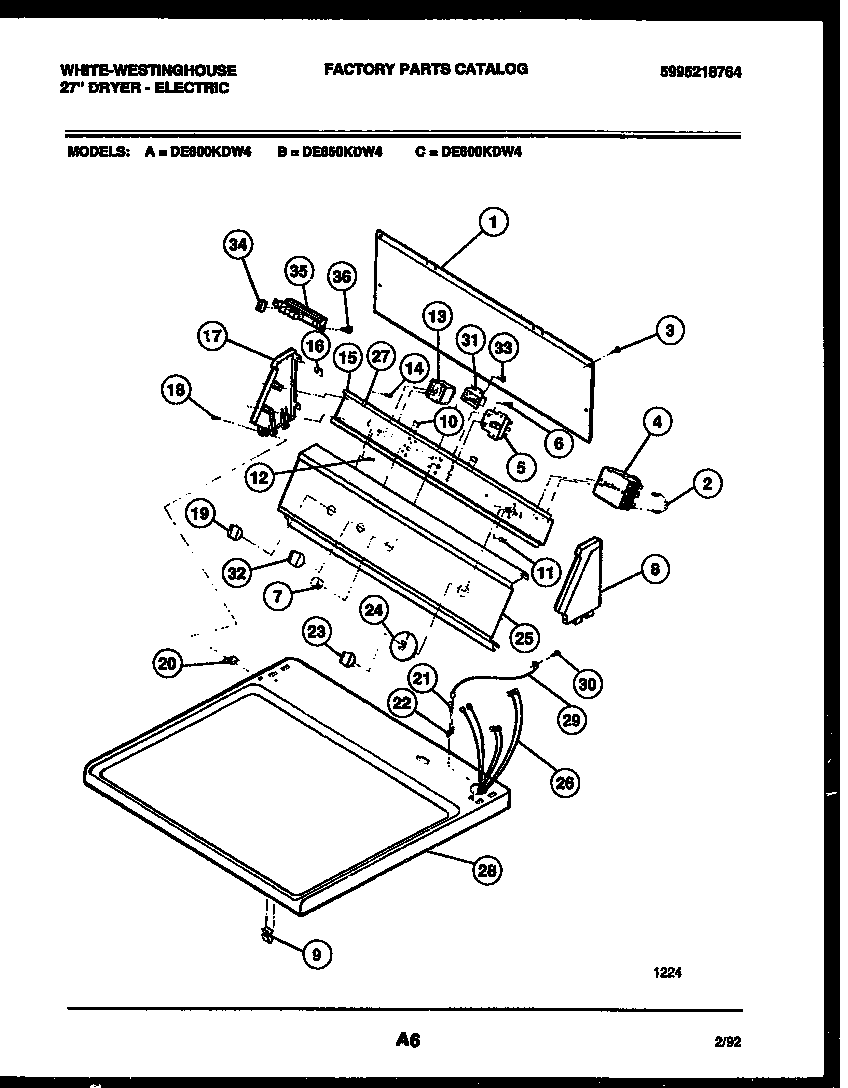
DE650KDD4 04 – CONSOLE AND CONTROL PARTS