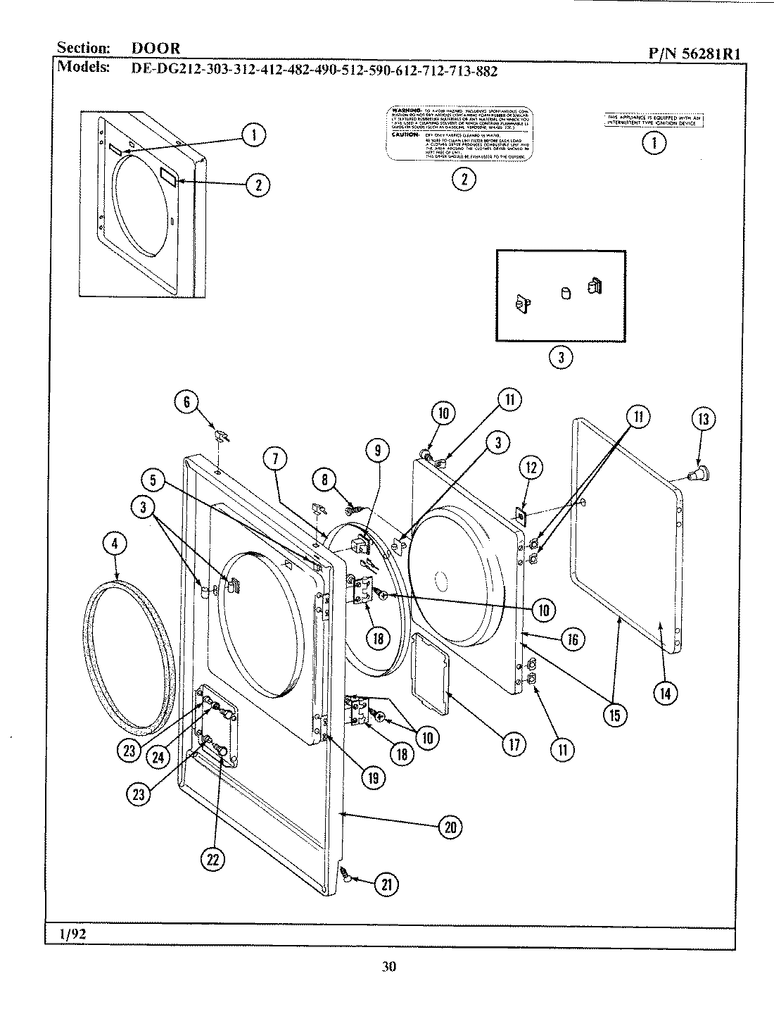
DE712 02 – DOOR