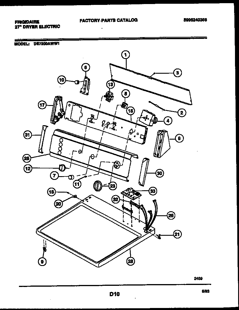
DE7200ADD1 04 – CONSOLE AND CONTROL PARTSadmin2025-04-26T08:53:27+00:00DE7200ADD1 04 – CONSOLE AND CONTROL PARTS ProductsPositionProduct1BACKSHEET2RESISTOR-POWER, 4.4K3131205100 Frigidaire Screw4WCI 1310626005WCI 1310480006WCI 1310482007WCI 1311413028WCI 13112270293205821 Frigidaire Clip10WCI 13114120211218359202 Frigidaire Refrigerator Screw12WCI 13114110213AWCI 320134113WCI 13104830015WCI 13115780217WCI 13112271218WCI 530328952620CLIP21WCI 530320739321131243800 Frigidaire Screw23WCI 13114100225WCI 13117640026WCI 13107150028WCI 13113030430WCI 13112260231WCI 13112261232WCI 13108980033WCI 131072000